EasyManua.ls Logo

Dräger Interlock Series - Virtakaavio, Jossa D+-Johto Tai Kierroslukumittarin Signaali

Dräger Interlock Series
422 pages
Print Icon
To Next Page IconTo Next Page
To Next Page IconTo Next Page
To Previous Page IconTo Previous Page
To Previous Page IconTo Previous Page
Loading...
132 Asennusohje | Dräger Interlock
®
5x00/7x00
| Asennus
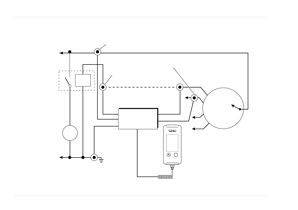
4.4.10 Virtakaavio, jossa D+-johto tai kierroslukumittarin
signaali
49952
9LUWDOXNNR
.¦\QQLVW\VPRRWWRUL
.¦\QQLVW\VUHOH
.DWNRV
0
9
9
.¦\QQLVW\VUHOH
OLLWLQ
6\W\W\V
OLLWLQSDLNND
/LV¦WDUYLNNHHW
3RLV
3RVLWLLYLQHQ
YLUWD
5XVNHD +DUPDD
3XQDLQHQ
0XVWD
6LQLQHQ
0DDGRLWXVOLLW¦QW¦
OLLWLQ
'U¦JHU
,QWHUORFN
p
[[
2KMDXV\NVLNN¸
'U¦JHU,QWHUORFN
p
[[
.¦VLODLWH
.¦\QQLVW\VUHOHOLLW¦QW¦
6\W\W\VOLLW¦QW¦
2.
3OXVOLLW¦QW¦OLLWLQ
0DDGRLWXVOLLW¦QW¦

Table of Contents

Related product manuals