EasyManua.ls Logo

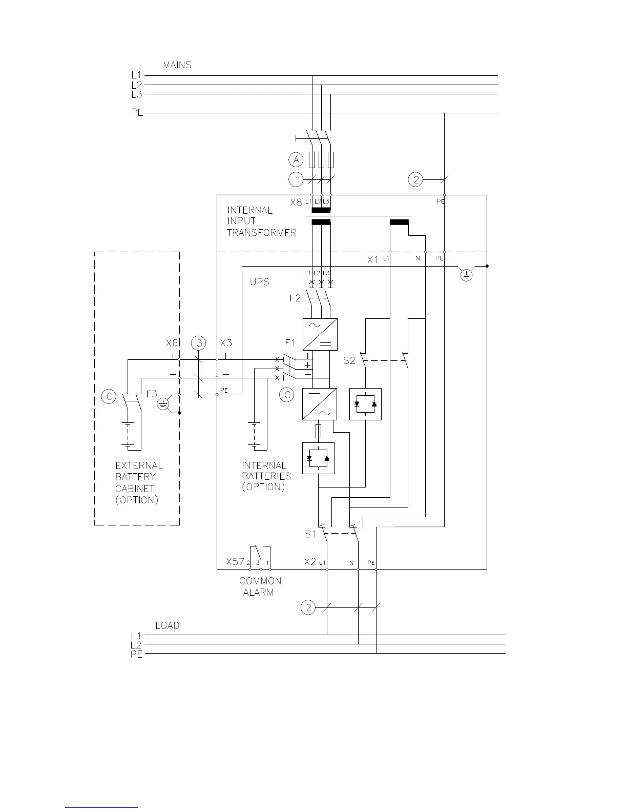
Eaton 9155 N - Figure 6-7: Wiring Diagram of 9155 NT-Model with Internal MBS (3-Phase in; 1-Phase Out). for Cable and Fuse Sizes, See the

Eaton 9155 N
99 pages
Print Icon
To Next Page IconTo Next Page
To Next Page IconTo Next Page
To Previous Page IconTo Previous Page
To Previous Page IconTo Previous Page
Loading...
24 8-10 kVA, 50/60 Hz (1-phase input) &
8-15 kVA, 50/60 Hz (3-phase input)
P-164000341
User's Guide Revision 1
Figure 6-7: Wiring diagram of 9155 NT-model with internal MBS (3-phase in / 1-phase out). For
cable and fuse sizes, see the Table 6-2.

Table of Contents

Related product manuals