EasyManua.ls Logo

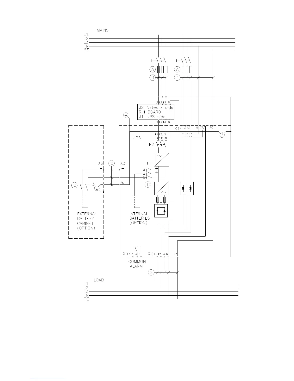
Eaton 9155 N - Figure 6-14: Wiring Diagram of Type Approved 9355 N-Model (3-Phase in; 3-Phase Out). for Cable and Fuse Sizes, See the Table

Eaton 9155 N
99 pages
Print Icon
To Next Page IconTo Next Page
To Next Page IconTo Next Page
To Previous Page IconTo Previous Page
To Previous Page IconTo Previous Page
Loading...
P-164000341 8-10 kVA, 50/60 Hz (1-phase input) &
8-15 kVA, 50/60 Hz (3-phase input)
33
Revision 1 User's Guide
Figure 6-14: Wiring diagram of type approved 9355 N-model (3-phase in / 3-phase out). For
cable and fuse sizes, see the Table 6-4.

Table of Contents

Related product manuals