EasyManua.ls Logo

Eaton 9155 N - 13 Wiring Diagrams for Internal Transformer; Figure 13-1: Internal Transformer Wirings for 9155 NT Model

Eaton 9155 N
99 pages
Print Icon
To Next Page IconTo Next Page
To Next Page IconTo Next Page
To Previous Page IconTo Previous Page
To Previous Page IconTo Previous Page
Loading...
P-164000341 8-10 kVA, 50/60 Hz (1-phase input) &
8-15 kVA, 50/60 Hz (3-phase input)
85
Revision 1 User's Guide
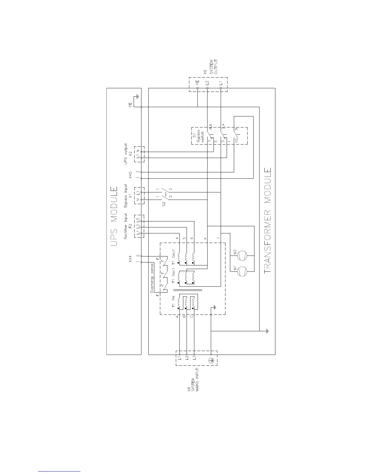
13 Wiring diagrams for internal transformer
Figure 13-1: Internal transformer wirings for 9155 NT model

Table of Contents

Related product manuals