EasyManua.ls Logo

Eaton 9155 N - 9.3.2.2 Turn UPS from Mechanical Bypass to Normal Mode

Eaton 9155 N
99 pages
Print Icon
To Next Page IconTo Next Page
To Next Page IconTo Next Page
To Previous Page IconTo Previous Page
To Previous Page IconTo Previous Page
Loading...
64 8-10 kVA, 50/60 Hz (1-phase input) &
8-15 kVA, 50/60 Hz (3-phase input)
P-164000341
User's Guide Revision 1
5. Turn the S3 switch to the OFF position to disconnect the UPS output:
6. Use the UPS LCD commands to turn the UPS OFF.
7. Turn the battery breaker F1 and the rectifier input breaker F2 to the OFF position.
8. Turn the S2 switch to the OFF position to disconnect the UPS static bypass input:
9. Remount the locking plate of the S1-3 switches to prevent the use of them.
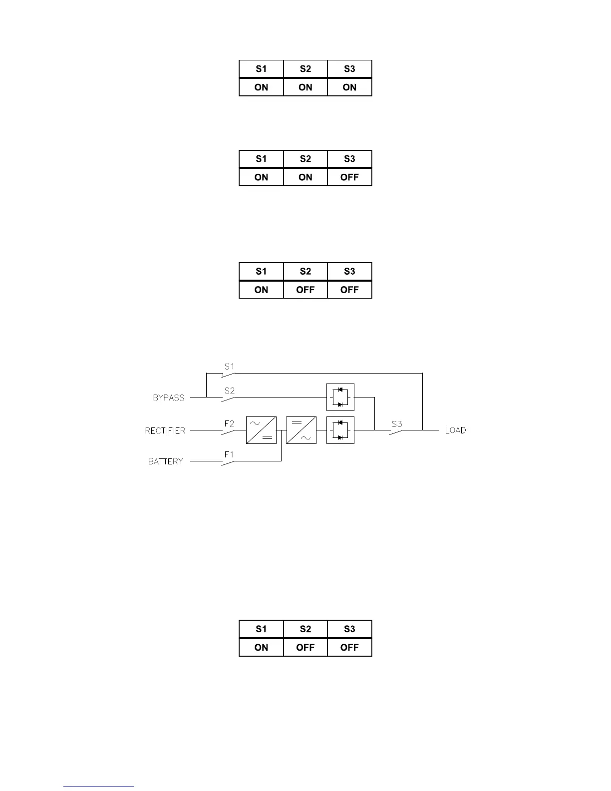
10. The UPS is now in the mechanical bypass mode, see below:
Figure 9-6: The positions of the three MBS switches in the mechanical bypass mode
9.3.2.2 Turn UPS from mechanical bypass to normal mode
The procedure to turn the UPS back to normal mode is described below.
1. The normal start position should be as shown below:
2. Remove the locking plate of the S1-3 switches.
3. Turn the S2 switch to the ON position to connect the static bypass input to the UPS:

Table of Contents

Related product manuals