EasyManua.ls Logo

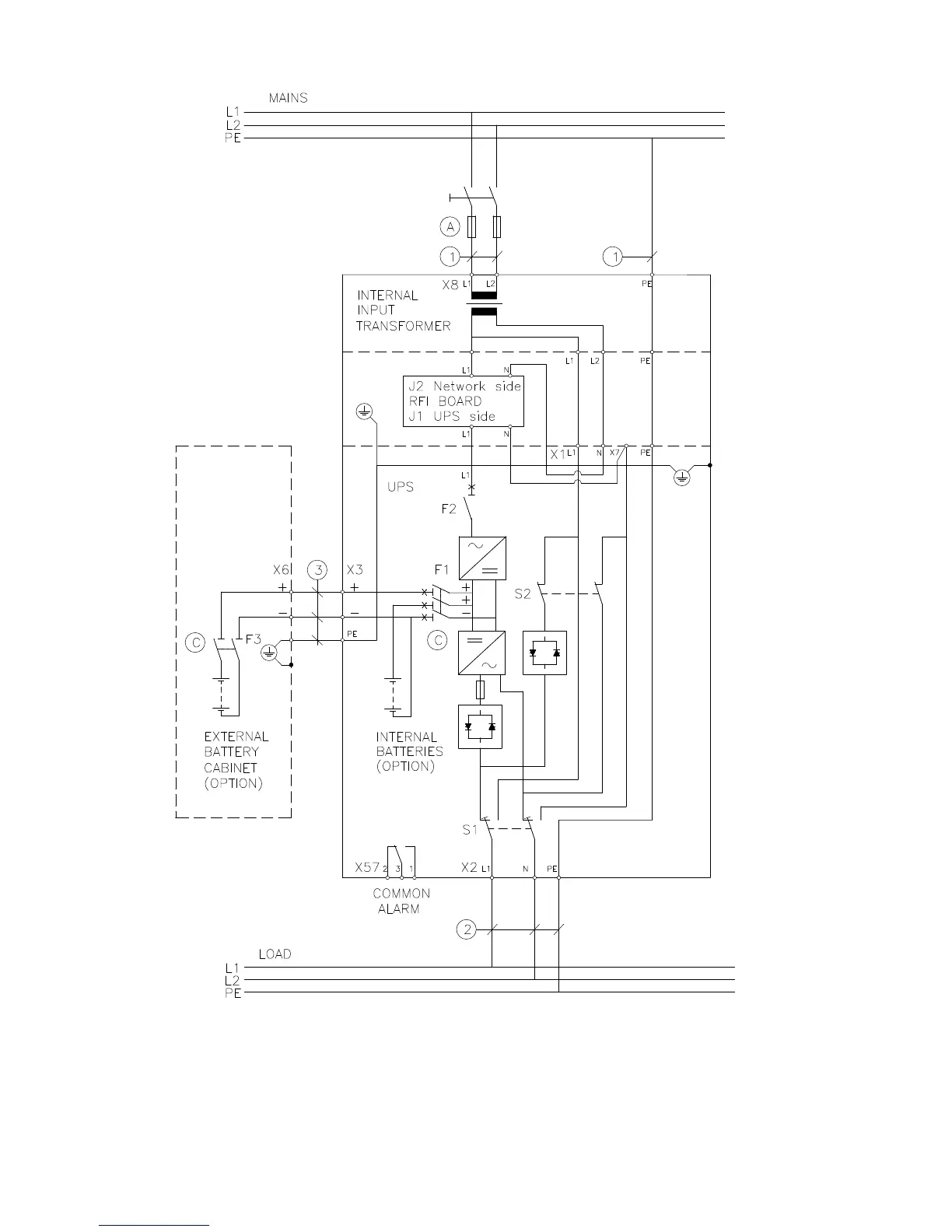
Eaton 9155 N - Figure 6-12: Wiring Diagram of Type Approved 9155 ST-Model with Internal MBS (1-Phase in; 1-Phase Out). for Cable and Fuse

Eaton 9155 N
99 pages
Print Icon
To Next Page IconTo Next Page
To Next Page IconTo Next Page
To Previous Page IconTo Previous Page
To Previous Page IconTo Previous Page
Loading...
30 8-10 kVA, 50/60 Hz (1-phase input) &
8-15 kVA, 50/60 Hz (3-phase input)
P-164000341
User's Guide Revision 1
Figure 6-12: Wiring diagram of type approved 9155 ST-model with internal MBS (1-phase in / 1-
phase out). For cable and fuse sizes, see the Table 6-3.

Table of Contents

Related product manuals