EasyManua.ls Logo

Ekra E1 - Page 136

Ekra E1
184 pages
Print Icon
To Next Page IconTo Next Page
To Next Page IconTo Next Page
To Previous Page IconTo Previous Page
To Previous Page IconTo Previous Page
Loading...
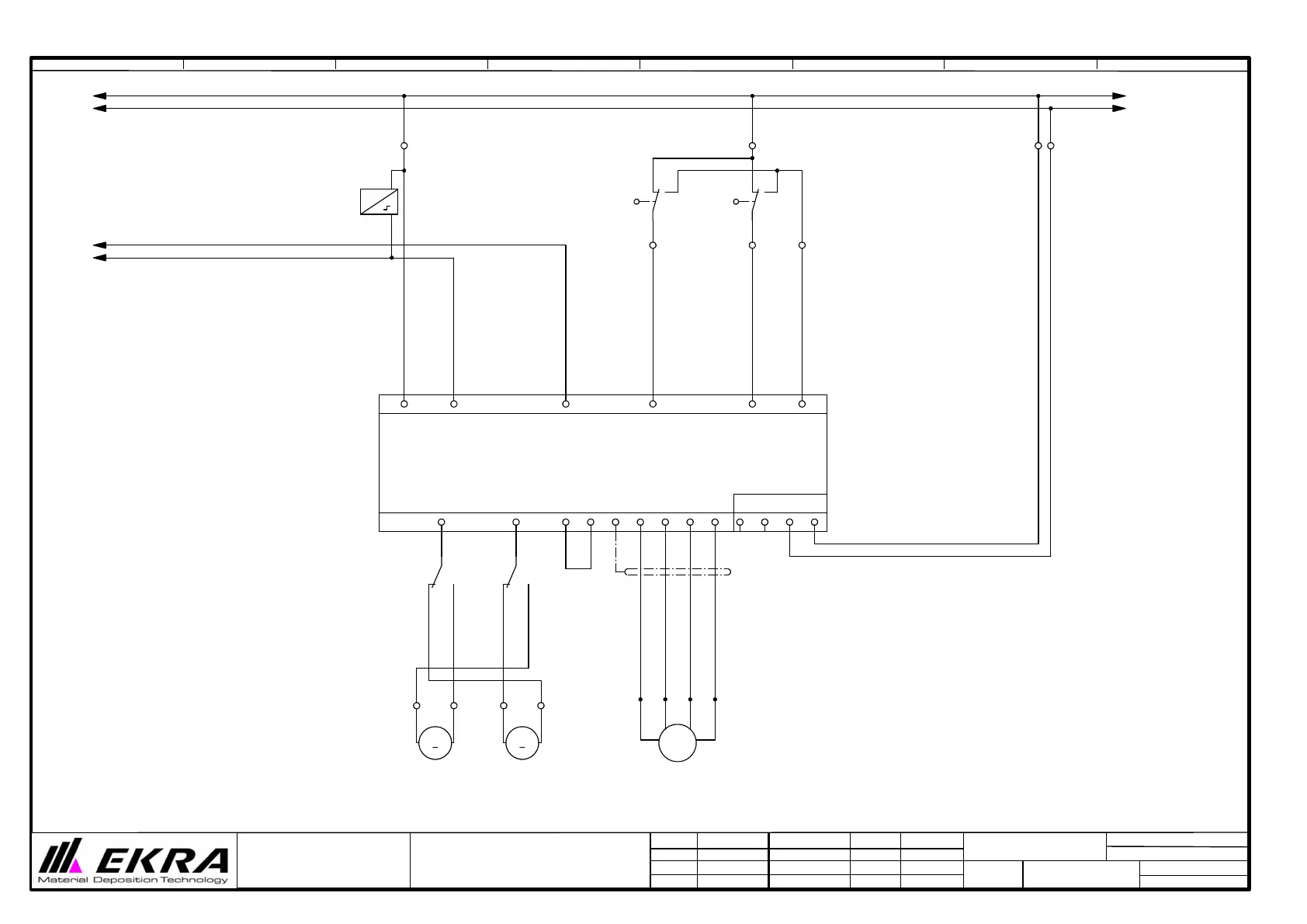
0V
/6.7
+24V
/4.8
A4:9
/9.5
A4:26
/9.6
P
-
+
-A4.1
Ballastmodul
shunt resistor
4
-X1
20
-X1
M
-M4.1
Trenn.motor
separate motor
12
4 8
-K4
/5.5
21
-X1
18
-X1
M
rt sw
-M4
Rakelmotor
Squeegee motor
9
1 5
-K4
/5.5
19
-X1
IM-651 PID-Regler
Motoranschluß
Spg.
+M
0V +24V
-M
Schirm
GND
Phase B
Phase A
Index Input 1 Input 2 +5V
+5V
Bus
X
X
X
13 26 9 16 21 11
24 12 3 4 14 10 7 8 11 5 4 8 1
-A4
Motorregelung
motor control
Rakel-Trenn.-antrieb
squeegee and separate drive
11
13
12
-S13
Trennweg unten
separate way down
15
-X1
En
sw ws bl rt
-En4
R.Endcoder
squeegee Encoder
4
-X1
11
13
12
-S14
Trennweg oben
separate way up
16
-X1
17
-X1
4
-X1
5
0V
/8.1
+24V
/10.1
grau
4.1
4
grau
weiss
grün
braun
brown
green
withe
grey
grey
letzte Änderung
Datum
Name
Datum
Ersteller
Gepr.
Norm
Blatt-Nr.
Bl von Anz
7
E1
1 2 3 4 5 6 7 8
Anlage
Ort
E1-006
8/16
Rakel und Trenngeschwindigkeit
EKRA GmbH
Zeppelinstr.16
D-74357 Bönnigheim
Tel.: +49 (0) 7143 / 88 44-0
Heime17.07.02
28.09.99
Heupel

Table of Contents

Related product manuals