EasyManua.ls Logo

Ekra E1 - Page 137

Ekra E1
184 pages
Print Icon
To Next Page IconTo Next Page
To Next Page IconTo Next Page
To Previous Page IconTo Previous Page
To Previous Page IconTo Previous Page
Loading...
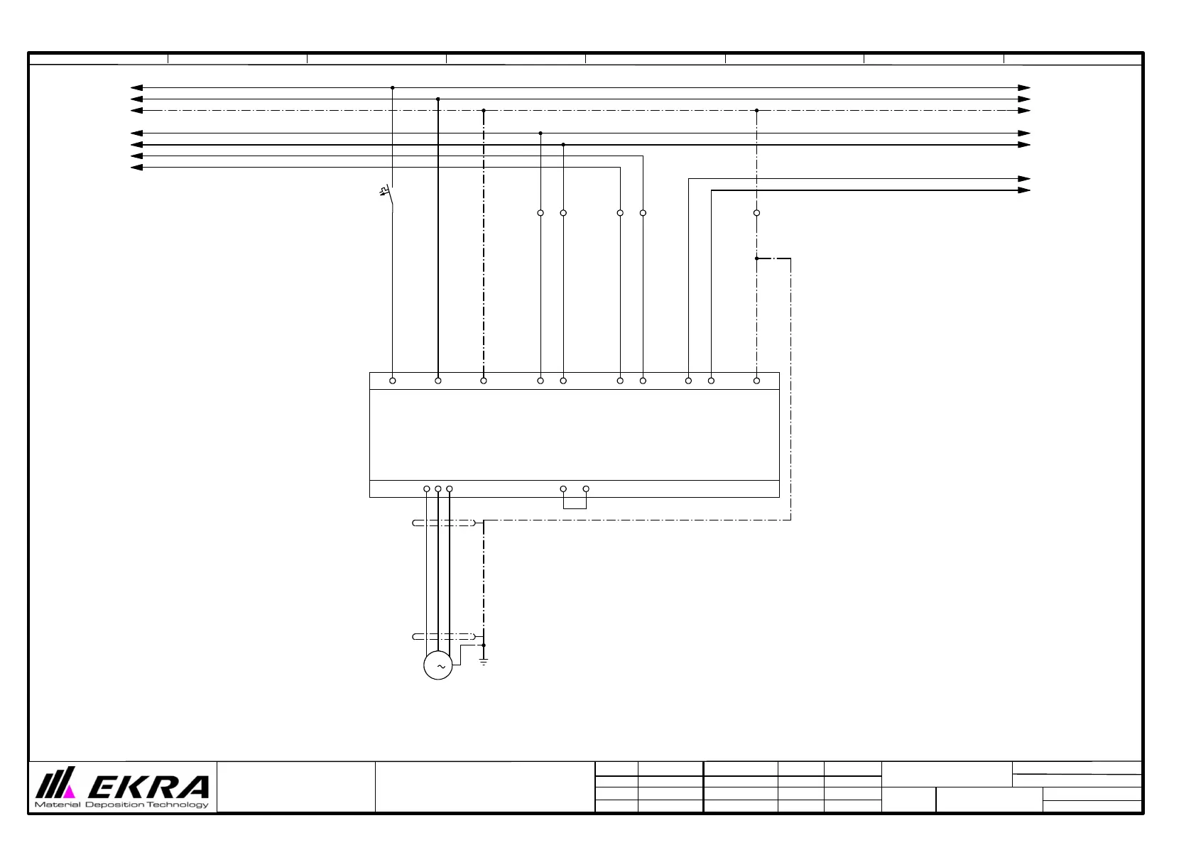
L1
/1.8
N
/1.8
PE
/1.8
0V
/7.8
P+24V
/4.8
FOR
/9.1
REV
/9.1
-F3
M
3
U
V
W
PE
-M3
Tischantrieb
Table motor
4
-X1
6
Freq
Motoranschluß
Spg.
U
L1 N 6 REV 5 PE
X
X
PE ST FOR 4
V W 7 8
L1 N PE 6 14 12 13 4 5 PE
U V W 7 8
-A3
Motorregelung
motor control
Tischantrieb
Table motor
22
-X1
23 PE
-X1
L1
N
PE
/10.1
0V
/9.1
P+24V
A3:4
/9.3
A3:5
/9.4
3
3
letzte Änderung
Datum
Name
Datum
Ersteller
Gepr.
Norm
Blatt-Nr.
Bl von Anz
8
E1
1 2 3 4 5 6 7 8
Anlage
Ort
E1-006
9/16
Tischantrieb
EKRA GmbH
Zeppelinstr.16
D-74357 Bönnigheim
Tel.: +49 (0) 7143 / 88 44-0
Heime16.07.02
11.10.99
Heupel

Table of Contents

Related product manuals