EasyManua.ls Logo

Equipment Technologies APACHE AS1010 - Chapter 9: System Schematics; Hydraulic System

Default Icon
124 pages
Print Icon
To Next Page IconTo Next Page
To Next Page IconTo Next Page
To Previous Page IconTo Previous Page
To Previous Page IconTo Previous Page
Loading...
9-1
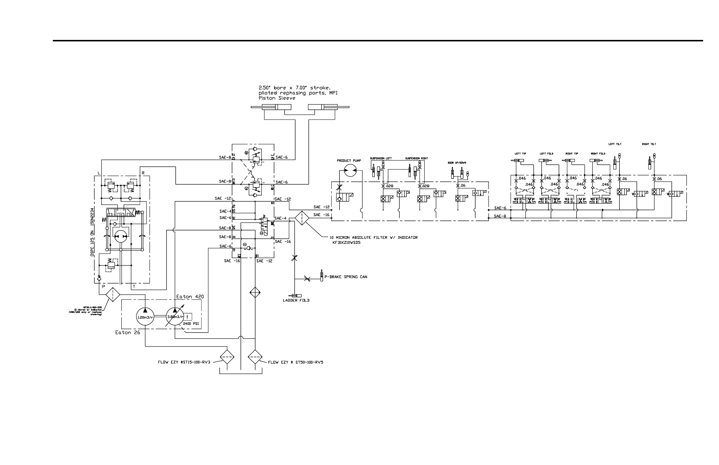
SYSTEM SCHEMATICS
Hydraulic System

Table of Contents