EasyManua.ls Logo

Festo CP-E08-M8-CL - A.2.2 Internal Structure Type CP−E08−M12−CL and CP−E16−M12−EL

Festo CP-E08-M8-CL
134 pages
Print Icon
To Next Page IconTo Next Page
To Next Page IconTo Next Page
To Previous Page IconTo Previous Page
To Previous Page IconTo Previous Page
Loading...
A. Technical appendix
A−11
Festo P.BE−CPEA−CL−E N en 0711a
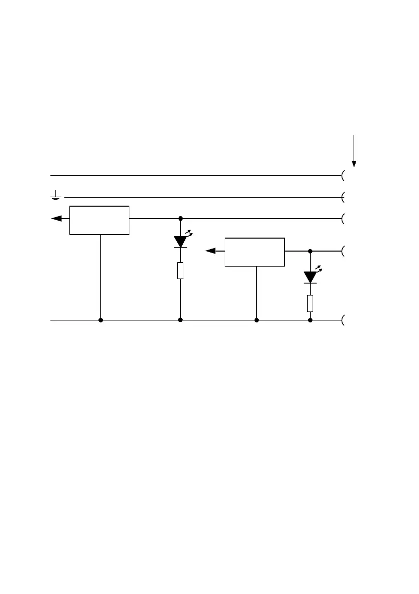
A.2.2 Internal structure type CP−E08−M12−CL and CP−E16−M12−EL
2
3
4
5
Pin 1
Pin 2
Pin 4
Pin 3
Pin 5
7
24V
0V
6
1
1
Pin assignment
1: +24V
2: Ix+1
3: 0 V
4: Ix
5: FE
2 PLC/I−PC Ix+1 (via fieldbus)
3 Logic recognition ix+1
4 Green LED Ix+1
5 PLC/I−PC Ix (via fieldbus)
6 Logic identifier Ix
7 Green LED Ix
Ix = Input x
Fig.A/1: Internal structure type CP−E08−M12−CL and CP−E16−M12−EL

Table of Contents

Related product manuals