EasyManua.ls Logo

Fluidwell E018 - Mechanical Dimensions; Mounting the Unit

Fluidwell E018
64 pages
Print Icon
To Next Page IconTo Next Page
To Next Page IconTo Next Page
To Previous Page IconTo Previous Page
To Previous Page IconTo Previous Page
Loading...
E018-P
FW_E018-P_M_v0302-02_EN Page 37
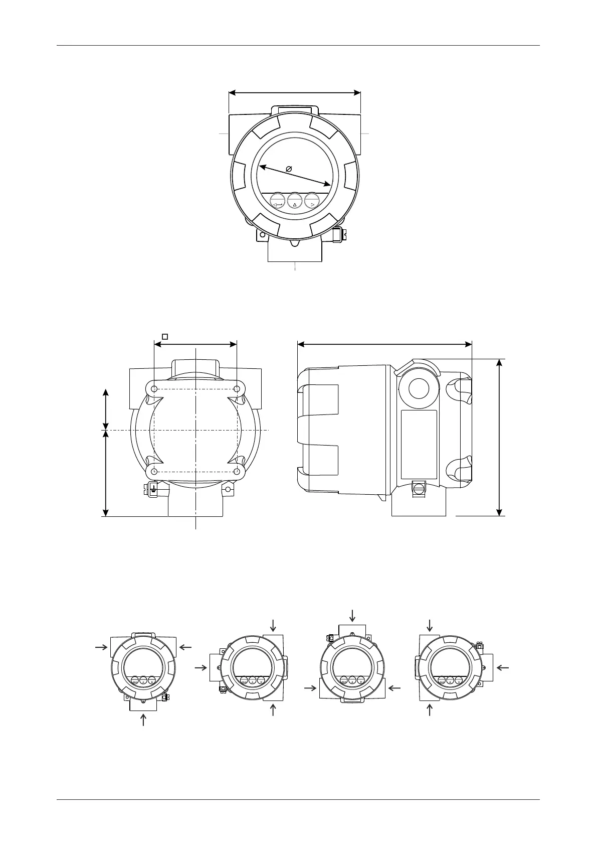
6.3.2 MECHANICAL DIMENSIONS
Right connection
M20x1.5
M25x1.5
½” NPT
¾” NPT
M20x1.5
M25x1.5
½” NPT
¾” NPT
1” NPT
Bottom connection
133mm / 5.24”
148mm / 5.83”
70mm / 2.76”
73mm / 2.87” 35mm / 1.38”
112mm / 4.41”
Left connection
M20x1.5
M25x1.5
½” NPT
¾” NPT
65
Fig.23: Mechanical dimensions of the E-Series enclosure
6.3.3 MOUNTING THE UNIT
The Main Electronics Module (MEM) can be placed into the body in 4 directions (0° – 90° – 180° –
270°). This allows the unit to be mounted in any direction while still allowing the MEM to be installed
in a ‘readable’ position.
left
right
center
By rotating the unit, the process and conduit openings can be placed in the required direction.
Note that the thread sizes of the openings indicated by “left – right – center” correspond with the
information on the configuration label attached to the outside of the product.

Table of Contents

Other manuals for Fluidwell E018

Related product manuals