EasyManua.ls Logo

Fronius Symo GEN24 10.0 - Circuit Diagram: 3-Pin Double Separation with Ext. Grid Protection (Italy)

Fronius Symo GEN24 10.0
192 pages
Print Icon
To Next Page IconTo Next Page
To Next Page IconTo Next Page
To Previous Page IconTo Previous Page
To Previous Page IconTo Previous Page
Loading...
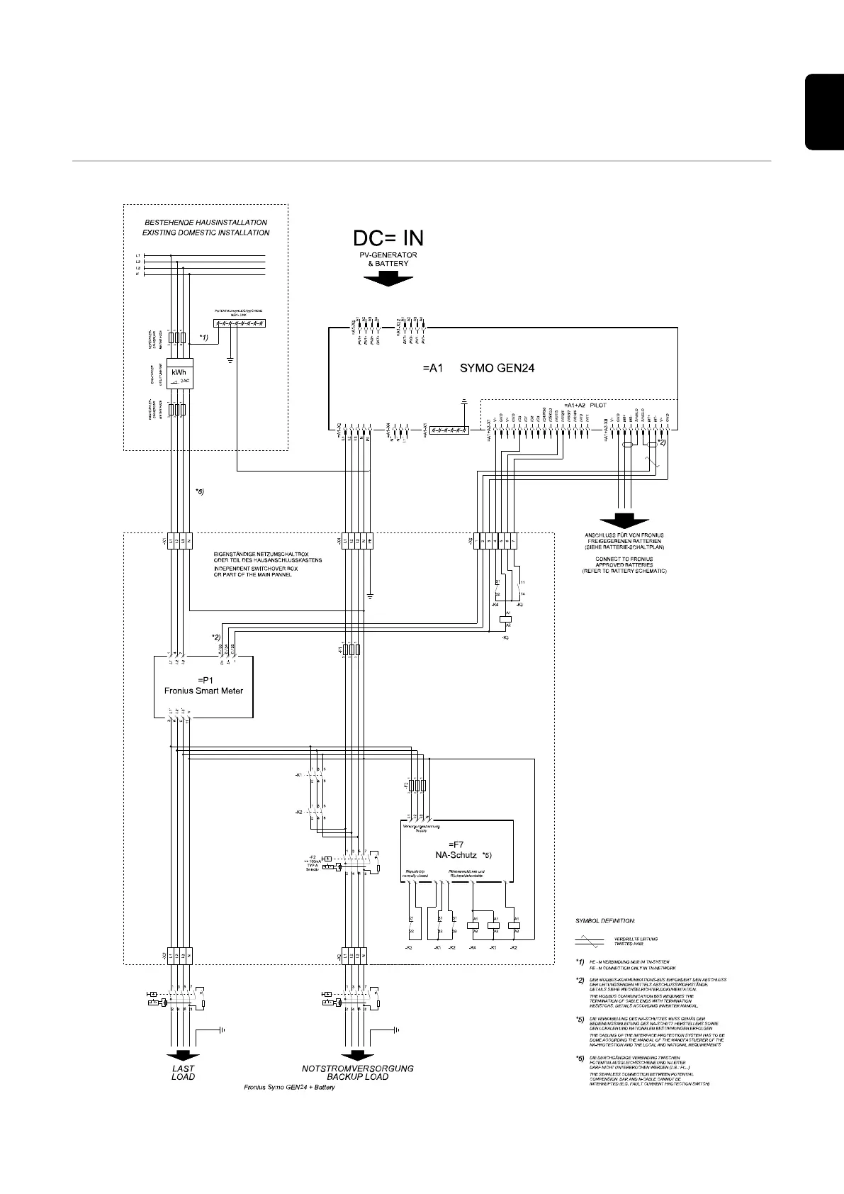
Automatic switch to backup power 3-pin double
separation with ext. Grid and system protection
Circuit Diagram
181
EN

Table of Contents

Related product manuals