EasyManua.ls Logo

Hach 1950Plus - Page 150

Hach 1950Plus
188 pages
Print Icon
To Next Page IconTo Next Page
To Next Page IconTo Next Page
To Previous Page IconTo Previous Page
To Previous Page IconTo Previous Page
Loading...
Page 150
TC Conversion
UVTOC_TC_conversion.fm
Appendix A
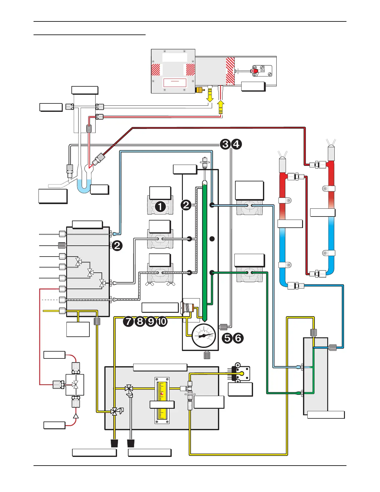
Figure 56 TC Conversion Flow Diagram—With Dilution (Two-lamp Analyzer Shown)
Pump Bracket Assembly
Resample
Pump
CAUTION
CONSULT SERVICE MANUAL
BEFORE VENTING DETECTOR
BLOCK COMPARTMENT.
DETECTOR BLOCK ASSEMBLY
P/N 120045 - 05
CAUTION
CAUTION
astro
CAUTION
CAUTION
CAUTION
Persulfate
Pump
Sample
Pump
Dilution
Pump
Acid
Pump
Optional
Dual Stream
Valve
V4
NC
NO
Stream 2
Stream 1
Sparger
IR Bench
GLS
Sparger Orifice
V3
V2
V1
NC
NC
NC
NO
NO
NO
Span
Acid
Persulfate
Zero
Clean
Sample
Dilution
Carrier
(Optional)
Gas
Pressure
Switch
Inlet Manifold
Resample Block
To
Waste Drain
Condenser
To Vent
Flow Control ValvePressure Regulator
Pressure
Sensor
Hydrophobic
Filter
Flowmeter
UV Lamp
UV Lamp
See Detail C
See Detail A
See Detail A
Some analyzers may have
one lamp and a mixer volume.

Table of Contents

Related product manuals