EasyManua.ls Logo

HBM ClipX - Page 162

HBM ClipX
248 pages
Print Icon
To Next Page IconTo Next Page
To Next Page IconTo Next Page
To Previous Page IconTo Previous Page
To Previous Page IconTo Previous Page
Loading...
Elektrische Anschlüsse, LEDs
40
a4643-1.0 HBM: public ClipX
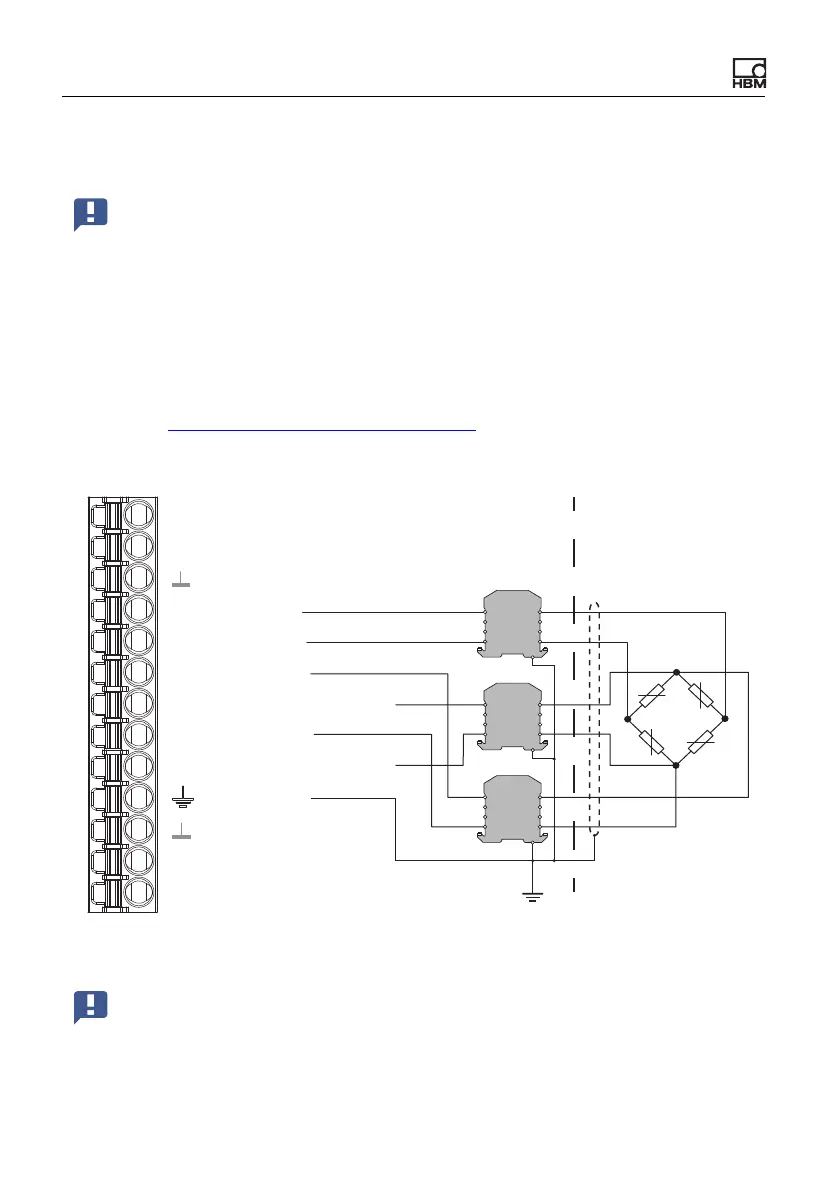
6.6.2 DMS-Vollbrücke bei Einsatz in Ex-geschützten Bereichen
Verwenden Sie das Kabel KAB7.5/00-2/2/2 und die Sicherheitsbarrieren 1-
SD01A von HBM, um Aufnehmer, die sich in einem explosionsgefährdetem
Bereich befinden, an das ClipX anzuschließen. Der Anschlusswiderstand des
Sensors (oder mehrerer parallel geschalteter) muss zwischen 80 und 350Ohm
liegen.
Siehe auch Vorhandene Anschlüsse und LEDs
.
DMS-Vollbrücke in 6-Leiter-Schaltung
Abb. 16: Steckklemme X4, Anschlussbelegung in 6-Leiter-Schaltung
Die Verwendung von Aufnehmern mit TEDS ist beim Einsatz von
Zenerbarrieren nicht möglich.
Pt100
TEDS
Pt100
Steckklemme X4, Aufnehmeranschluss
HBM-Kabel KAB7.5/00-2/2/2
Kabeladerfarben:
bl = blau; gn = grün; gr = grau;
rt = rot; sw = schwarz; ws = weiß;
1
2'
3
3'
2
I
U
AI
4
Messsignal +
Fühlerleitung -
Brückenspeisespannung +
Fühlerleitung +
Brückenspeisespannung -
Kabelschirme
Messsignal -
Potenzialausgleich
Explosions-
gefährdeter
Bereich
Sicherer
Bereich
3
2
14
rt
ws
gr
sw
gn
bl
S
8
5
1
4
Z961H
8
5
1
4
Z961
8
5
1
4
Z961H
Wichtig: Beachten Sie die zulässigen Kabellängen, abhängig von
Speisespannung und Aufnehmerwiderstand, die Sicherheitshinweise
zur Zenerbarierre SD01A und die Bestimmungen zum Betrieb von
Anlagen in explosionsgeschützten Bereichen.

Table of Contents

Related product manuals