EasyManua.ls Logo

HIKVISION DS-K1TA70MI-T - Page 30

HIKVISION DS-K1TA70MI-T
165 pages
Print Icon
To Next Page IconTo Next Page
To Next Page IconTo Next Page
To Previous Page IconTo Previous Page
To Previous Page IconTo Previous Page
Loading...
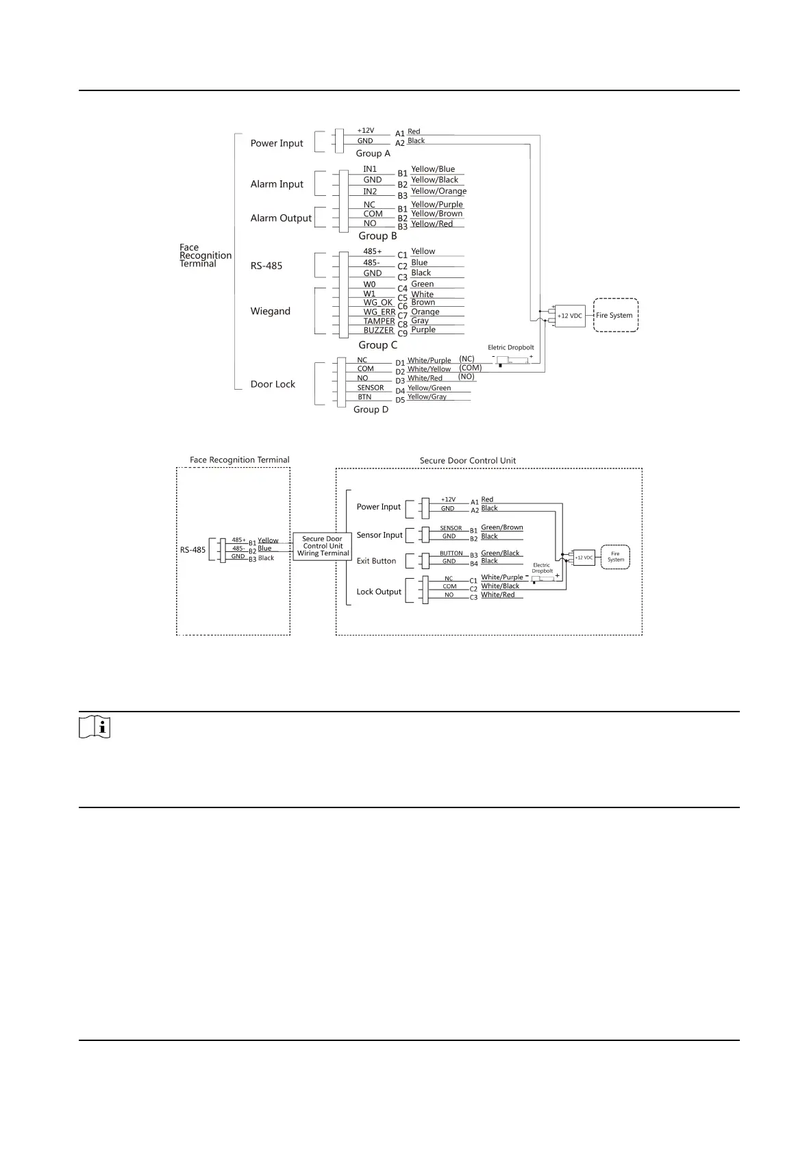
Figure 4-4 Wire Device
Figure 4-5 Wire Secure Door Control Unit
Type 2
Note
The re system (NO and COM, normally open when powering o) is connected with the lock and
the power supply in series. When an re alarm is triggered, the door remains open. In normal
mes, NO and COM are closed.
Face Recognion Terminal User Manual
15

Table of Contents

Related product manuals