EasyManua.ls Logo

Hill-Rom Century+ P1400 - DC Drive Module

Hill-Rom Century+ P1400
277 pages
Print Icon
To Next Page IconTo Next Page
To Next Page IconTo Next Page
To Previous Page IconTo Previous Page
To Previous Page IconTo Previous Page
Loading...
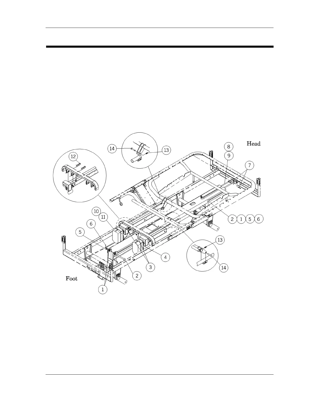
DC Drive Module
Chapter 5: Parts List
Page 5 - 24 Century+™ Bed Service Manual (man241)
DC Drive Module
Figure 5-7. DC Drive Module
m241_003

Table of Contents