EasyManua.ls Logo

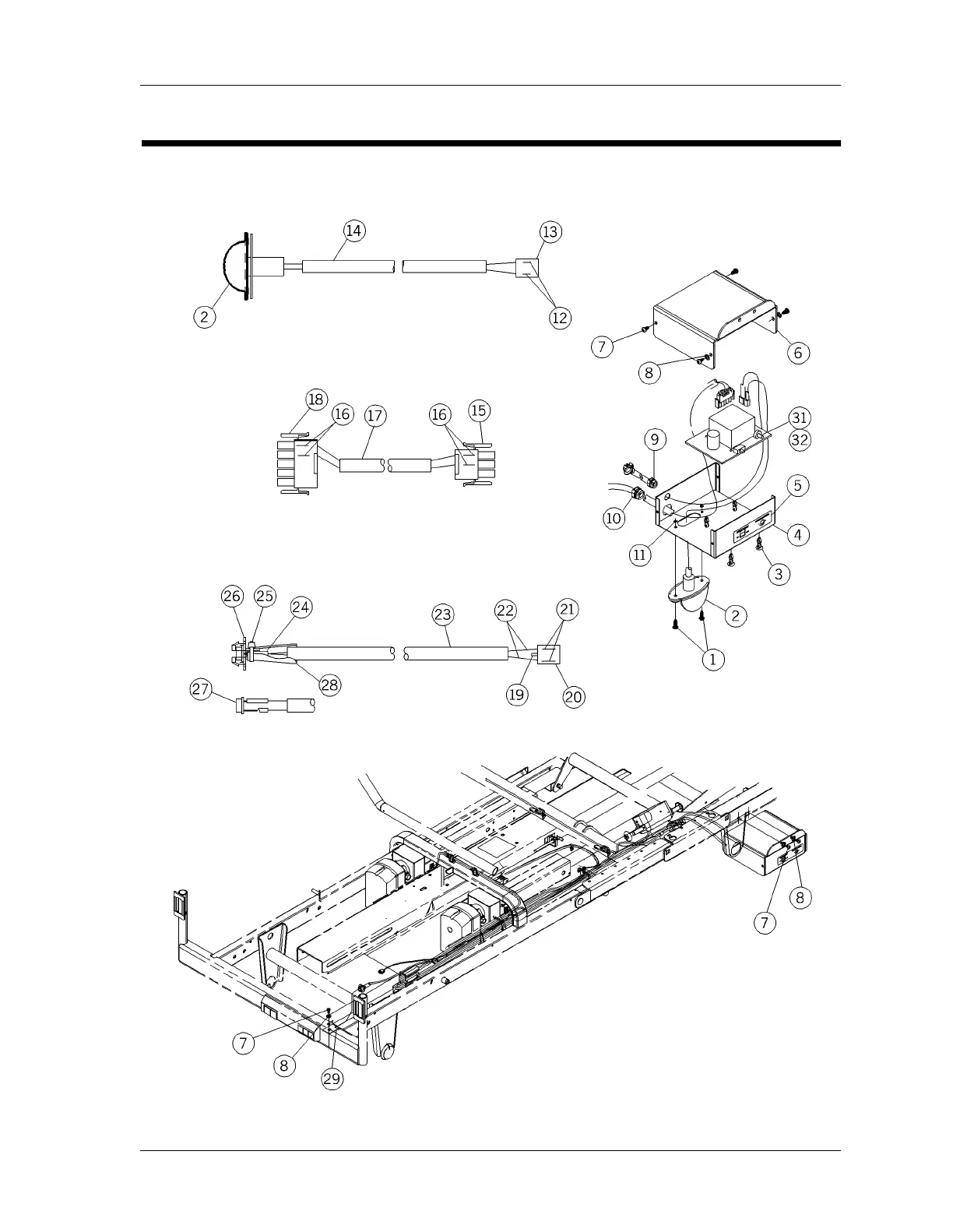
Hill-Rom Century+ P1400 - Night Light Assembly-P;N 4578201

Hill-Rom Century+ P1400
277 pages
Print Icon
To Next Page IconTo Next Page
To Next Page IconTo Next Page
To Previous Page IconTo Previous Page
To Previous Page IconTo Previous Page
Loading...
Night Light Assembly—P/N 4578201
Chapter 5: Parts List
Page 5 - 44 Century+™ Bed Service Manual (man241)
Night Light Assembly—P/N 4578201
Figure 5-15. Night Light Assembly—P/N 4578201
m241_130

Table of Contents