EasyManua.ls Logo

Hioki BT3561A - Page 95

Hioki BT3561A
228 pages
Print Icon
To Next Page IconTo Next Page
To Next Page IconTo Next Page
To Previous Page IconTo Previous Page
To Previous Page IconTo Previous Page
Loading...
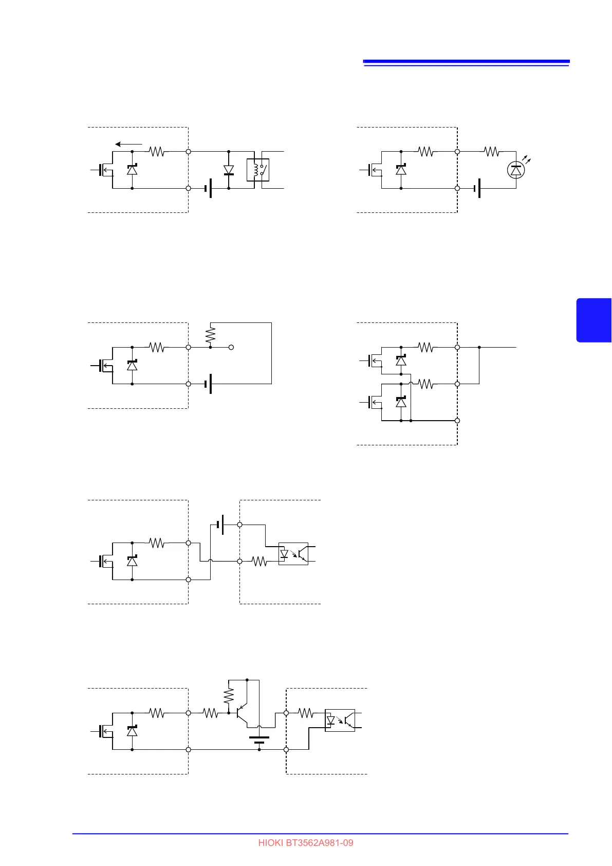
5.4 Internal Circuitry
89
5
Chapter 5 External Control (EXT I/O)
Output Circuit
Connection Examples
BT3562,BT3563
BT3562,BT3563
BT3562,BT3563
BT3562,BT3563
BT3562,BT3563
BT3562,BT3563
Output
ISO_COM
50mA max
30 V max
Output
ISO_COM
Output
ISO_COM
Output
ISO_COM
Output
ISO_COM
Active-Low
Logic Output
Input
Common
PLC
Output
Output
ISO_COM
Input
Common
PLC
Relay Connections
LED Connection
Active-Low Logic Output
PLC Input (Source Input) Connections
PLC Input (Sink Input) Connections
Wired OR
Instruments
Instruments
Instruments
Instruments
Instruments
Instruments
HIOKI BT3562A981-09

Table of Contents

Related product manuals