EasyManua.ls Logo

Hioki BT3564 - 6.2 Selecting the Interface

Hioki BT3564
210 pages
Print Icon
To Next Page IconTo Next Page
To Next Page IconTo Next Page
To Previous Page IconTo Previous Page
To Previous Page IconTo Previous Page
Loading...
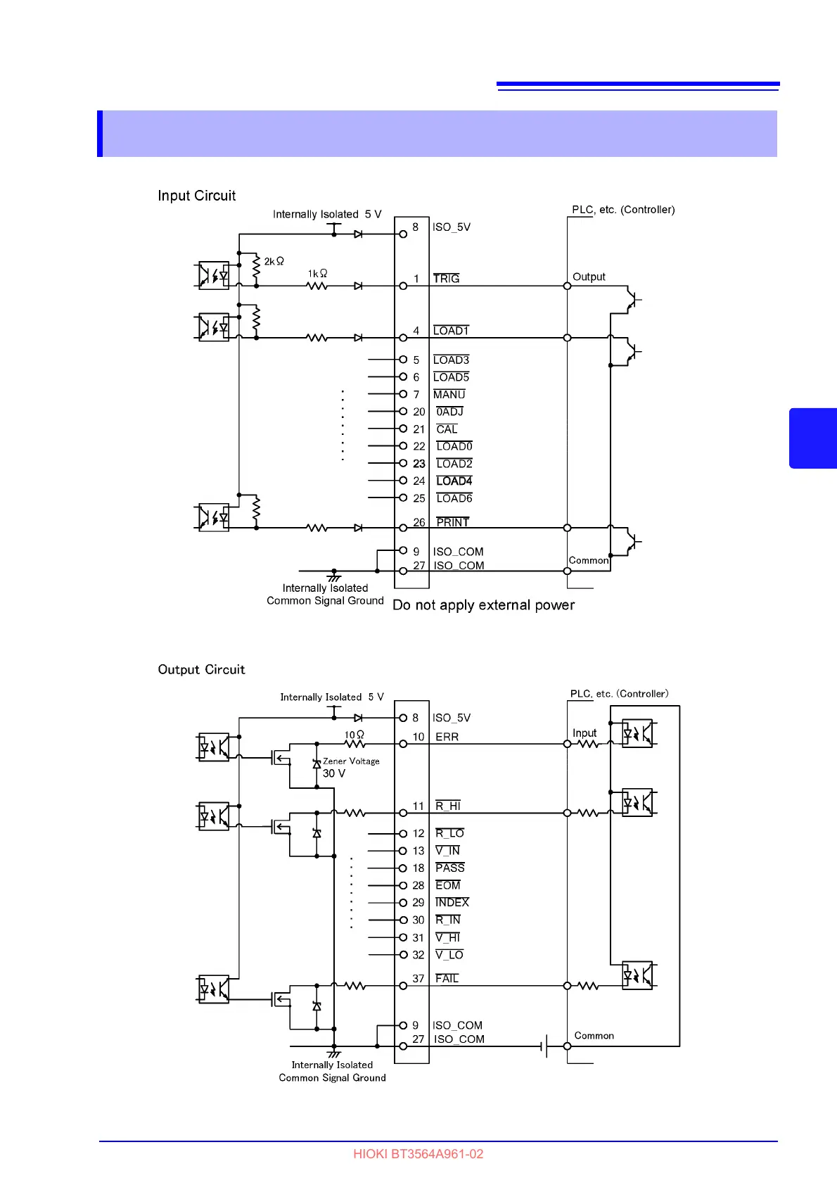
5.4 Internal Circuitry
83
5
Chapter 5 External Control (EXT I/O)
5.4 Internal Circuitry
HIOKI BT3564A961-02

Table of Contents

Related product manuals