EasyManua.ls Logo

Hioki BT3564 - Page 91

Hioki BT3564
210 pages
Print Icon
To Next Page IconTo Next Page
To Next Page IconTo Next Page
To Previous Page IconTo Previous Page
To Previous Page IconTo Previous Page
Loading...
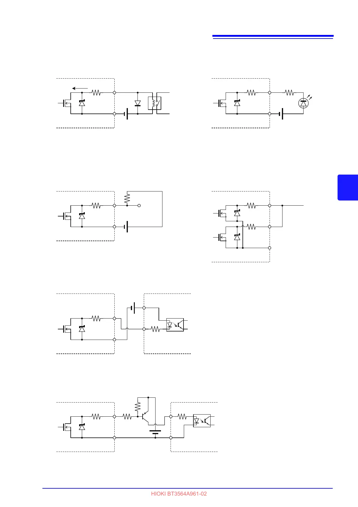
5.4 Internal Circuitry
85
5
Chapter 5 External Control (EXT I/O)
Output Circuit
Connection Examples
BT3564
BT3564
BT3564
BT3564
BT3564
BT3564
Output
ISO_COM
50mA max
30 V max
Output
ISO_COM
Output
ISO_COM
Output
ISO_COM
Output
ISO_COM
Active-Low
Logic Output
Input
Common
PLC
Output
Output
ISO_COM
Input
Common
PLC
Relay Connections
LED Connection
Active-Low Logic Output
PLC Input (Source Input) Connections
PLC Input (Sink Input) Connections
Wired OR
HIOKI BT3564A961-02

Table of Contents

Related product manuals