EasyManua.ls Logo

HME EOS HD - Base Station Internal Details; Base Station Internal Connectors and Controls

HME EOS HD
90 pages
Print Icon
To Next Page IconTo Next Page
To Next Page IconTo Next Page
To Previous Page IconTo Previous Page
To Previous Page IconTo Previous Page
Loading...
EOS
|
HD OPERATION
60
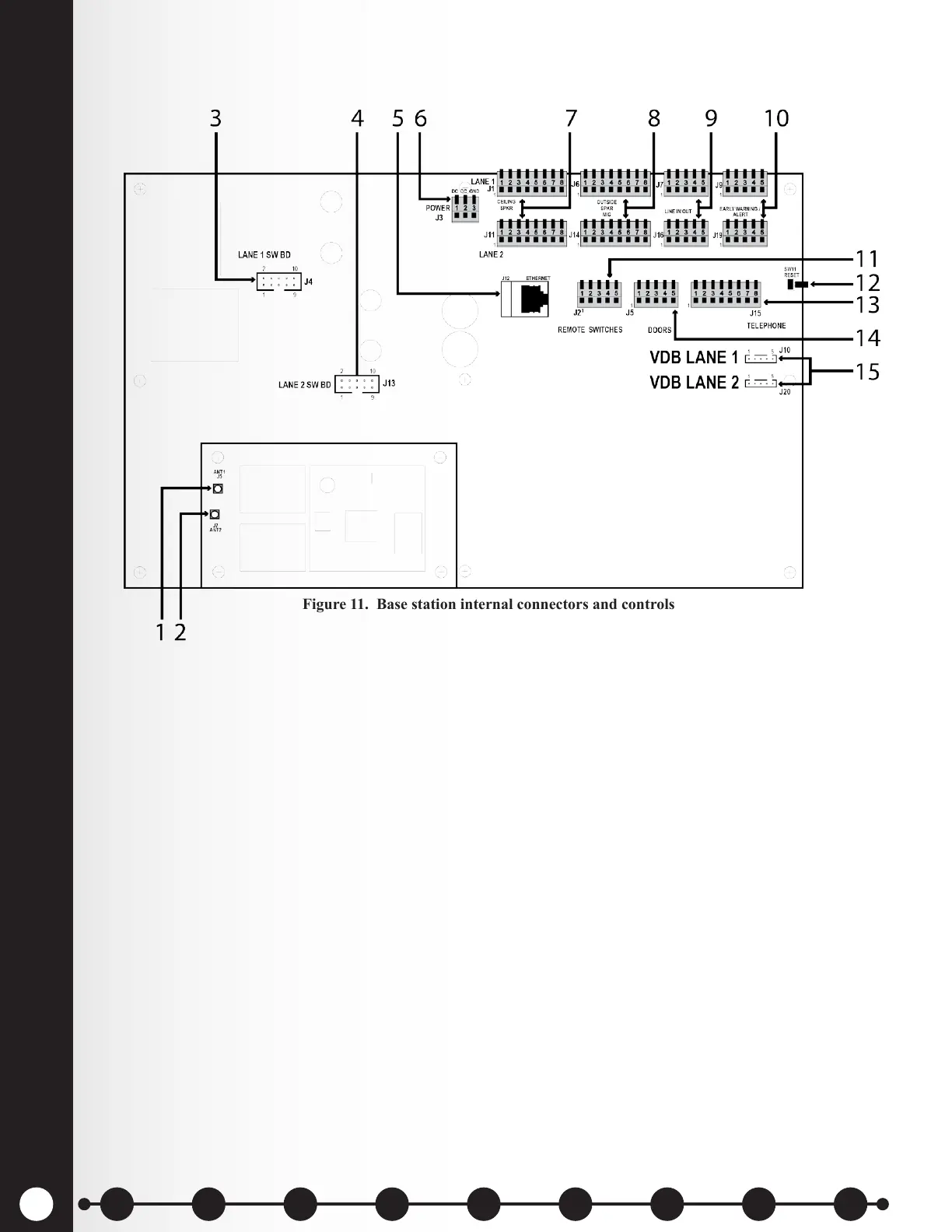
Base Station Internal Connectors and Controls
Figure 11. Base station internal connectors and controls
1. ANT1 antenna connector
2. ANT2 antenna connector
3. Switcher board connectors, J4-Lane 1
4. Switcher board connectors, J13-Lane 2
5. Ethernet connector, J12
6. Power connector, J3
7. Ceiling speaker connector, J1-Lane 1, J11-Lane 2
8. Outside speaker/microphone connector, J6-Lane 1, J14-Lane 2
9. Line in/out connector, J7-Lane 1, J16-Lane 2
10. Early warning/alert connector, J9-Lane 1, J19-Lane 2
11. Remote switch connector, J2
12. Reset switch
13. Telephone connector, J15
14. Doors connector, J5
15. Vehicle detector board (VDB) connector, J10-Lane 1, J20-Lane 2
1 2 3 4 5 6 7 8 9
Introduction
EOS|HD
Equipment
EOS|HD
Operation
Audio Processing
Functions
Equipment Care
and Cleaning
Troubleshooting
Equipment
Specications
EOS|HD Message
Center Guide
Important
Notices

Table of Contents

Other manuals for HME EOS HD

Related product manuals