EasyManua.ls Logo

Honda BF40D - Page 108

Honda BF40D
737 pages
Print Icon
To Next Page IconTo Next Page
To Next Page IconTo Next Page
To Previous Page IconTo Previous Page
To Previous Page IconTo Previous Page
Loading...
9-11
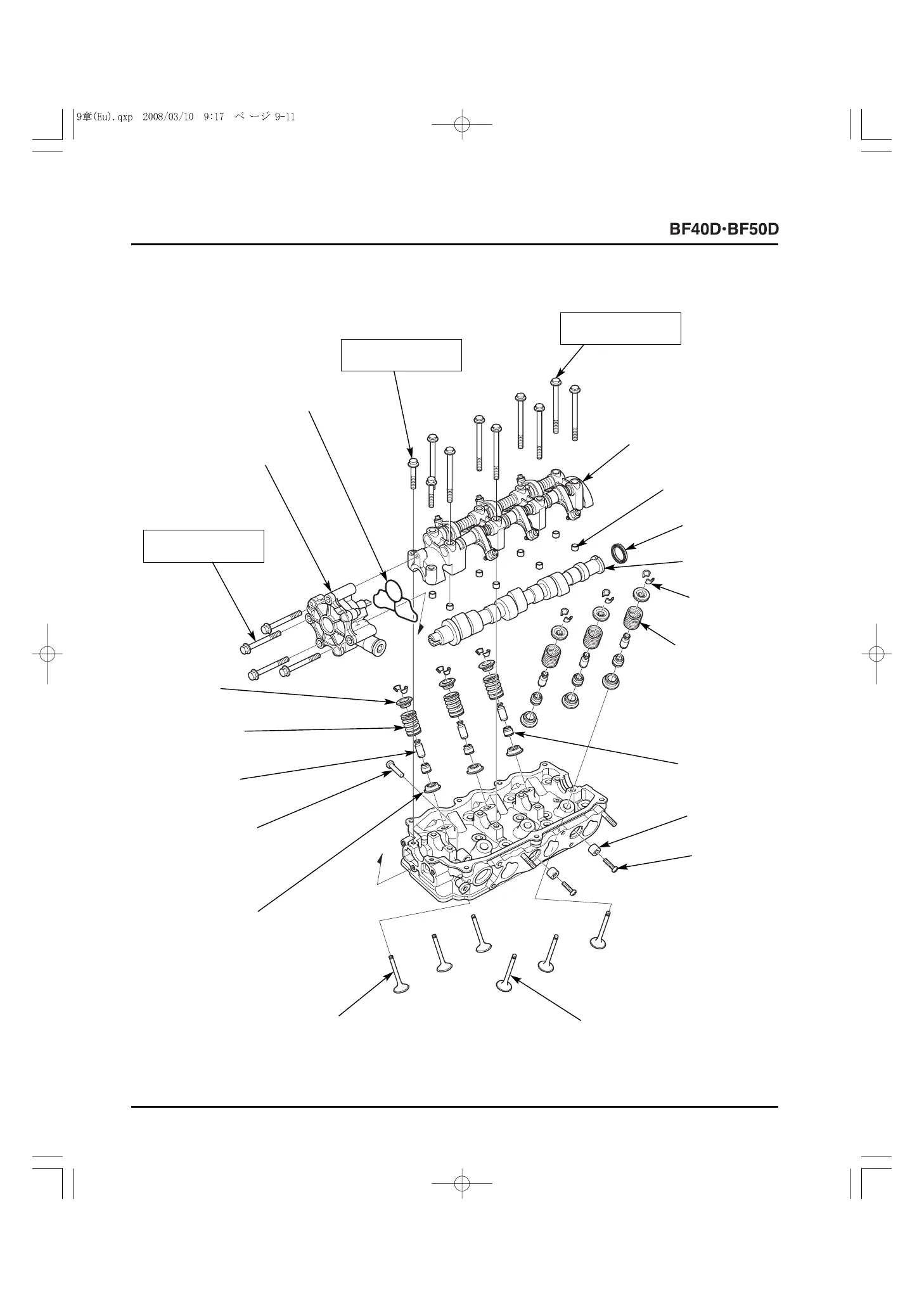
COMPONENT DRAWING
1
2
3
4
5
6
7
8
9
10
11
12
13
14
15
16
17
18
19
20
[18]
VALVE SPRING
RETAINER (6)
[12]
INTAKE VALVE (3)
[17]
EXHAUST VALVE
SPRING (3)
[16]
VALVE GUIDE (6)
[8]
INTAKE VALVE
SPRING (3)
[13]
EXHAUST VALVE (3)
[9]
VALVE STEM
SEAL (6)
[10]
ANODE
METAL(2)
[11]
5 x 20 mm
SCREW (2)
[7]
VALVE
KEEPER (12)
[14]
VALVE SPRING
SEAT (6)
[15]
FUEL PUMP LIFTER
[6]
CAMSHAFT
[4]
8 x 14 mm
DOWEL PIN (8)
[5]
30 x 42 x 8 mm
OIL SEAL
[3]
ROCKER SHAFT
ASSEMBLY
[1]
OIL PUMP ASSEMBLY
[2]
PUMP COVER O-RING
12 N
.
m (1.2 kgf
.
m,
9 lbf
.
ft)
6 x 35 (2)
13 N
.
m (1.3 kgf
.
m,
10 lbf
.
ft)
6 x 55 (4)
14 N
.
m (1.4 kgf
.
m,
10 lbf
.
ft)
6 x 70 (8)
108

Table of Contents

Other manuals for Honda BF40D

Related product manuals