EasyManua.ls Logo

Honda BF40D - Power Tilt Relay;Power Tilt Switch [Power Trim;Tilt Type Only]

Honda BF40D
737 pages
Print Icon
To Next Page IconTo Next Page
To Next Page IconTo Next Page
To Previous Page IconTo Previous Page
To Previous Page IconTo Previous Page
Loading...
18-21
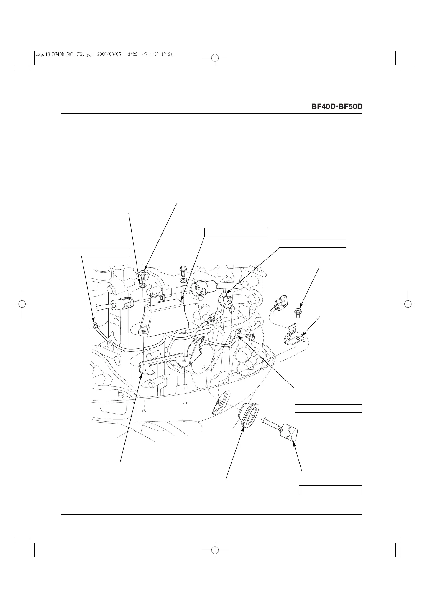
7. POWER TILT RELAY/POWER TILT SWITCH
[POWER TRIM/TILT TYPE ONLY]
a. REMOVAL/INSTALLATION
Remove the following parts.
- Engine cover (P. 4-2)
- Electric part cover (P. 18-19)
Install and route the connectors and harnesses in the proper positions (P. 2-68).
[9]
HARNESS CLIP
BRACKET A
6 x 12 (2)
[5]
POWER TILT
SWITCH STAY
[8]
UNDER CASE
GROMMET G
6 x 18 (2)
[2]
6 mm WASHER (2)
INSTALLATION: P. 2-59
[1]
POWER TILT RELAY
B TERMINAL WIRE
INSPECTION: P. 18-22
[3]
POWER TILT RELAY
INSTALLATION: P. 2-68
[4]
WIRE HARNESS CLAMP
INSTALLATION: P. 2-68
[6]
POWER TILT RELAY
GROUND CABLE
INSPECTION: P. 18-22
[7]
POWER TILT SWITCH
700

Table of Contents

Other manuals for Honda BF40D

Related product manuals