EasyManua.ls Logo

Honda BF40D - Ignition Coil;Regulator;Rectifier

Honda BF40D
737 pages
Print Icon
To Next Page IconTo Next Page
To Next Page IconTo Next Page
To Previous Page IconTo Previous Page
To Previous Page IconTo Previous Page
Loading...
18-23
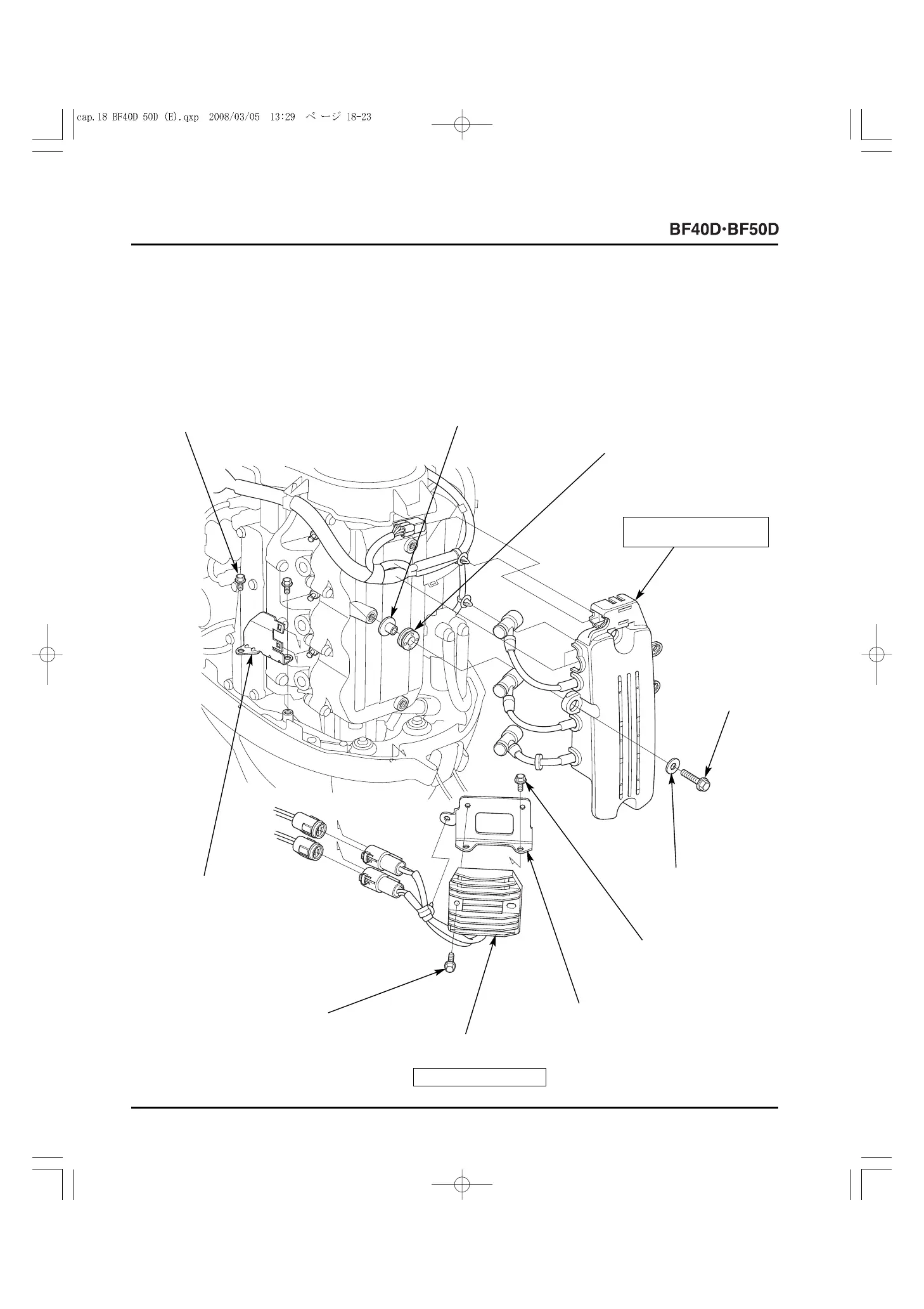
8. IGNITION COIL/REGULATOR/RECTIFIER
a. REMOVAL/INSTALLATION
Remove the engine cover (P. 4-2).
Install and route the connectors and harnesses in the proper positions (P. 2-70).
6 x 28 (3)
[4]
6 mm WASHER (3)
[1]
IGNITION COIL
CASE COLLAR (3)
[2]
IGNITION COIL CASE
GROMMET (3)
[7]
CONNECTOR
BRACKET B
6 x 12 (2)
6 x 25 (2)
6 x 14 (2)
[5]
REGULATOR
BRACKET
INSPECTION: P. 18-26
[6]
REGULATOR/RECTIFIER
DISASSEMBLY/
REASSEMBLY: P. 18-24
[3]
IGNITION COIL ASSEMBLY
704

Table of Contents

Other manuals for Honda BF40D

Related product manuals