EasyManua.ls Logo

Honda BF40D - Steering Friction Lever

Honda BF40D
737 pages
Print Icon
To Next Page IconTo Next Page
To Next Page IconTo Next Page
To Previous Page IconTo Previous Page
To Previous Page IconTo Previous Page
Loading...
16-2
1
2
3
4
5
6
7
8
9
10
11
12
13
14
15
16
17
18
19
20
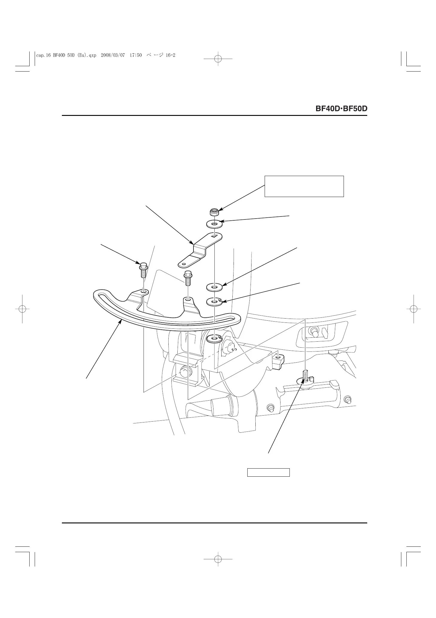
1. STEERING FRICTION LEVER
a. DISASSEMBLY
[3]
8 mm WASHER
6 x 12 (2)
[7]
FRICTION
PLATE
[1]
STEERING FRICTION
LEVER
[4]
4 mm NYLON
WASHER
[5]
FRICTION BLOCK (2)
[2]
8 mm SELF-LOCKING NUT
ADJUSTMENT: P. 3-26
TORQUE:
9.5 N
.
m (1.0 kgf
.
m, 7.0 lbf
.
ft)
[6]
FRICTION LEVER SHAFT
[8 x 26 mm STUD BOLT]
Do not reuse.
562

Table of Contents

Other manuals for Honda BF40D

Related product manuals