EasyManua.ls Logo

Honda BF40D - Electric Part Case

Honda BF40D
737 pages
Print Icon
To Next Page IconTo Next Page
To Next Page IconTo Next Page
To Previous Page IconTo Previous Page
To Previous Page IconTo Previous Page
Loading...
18-20
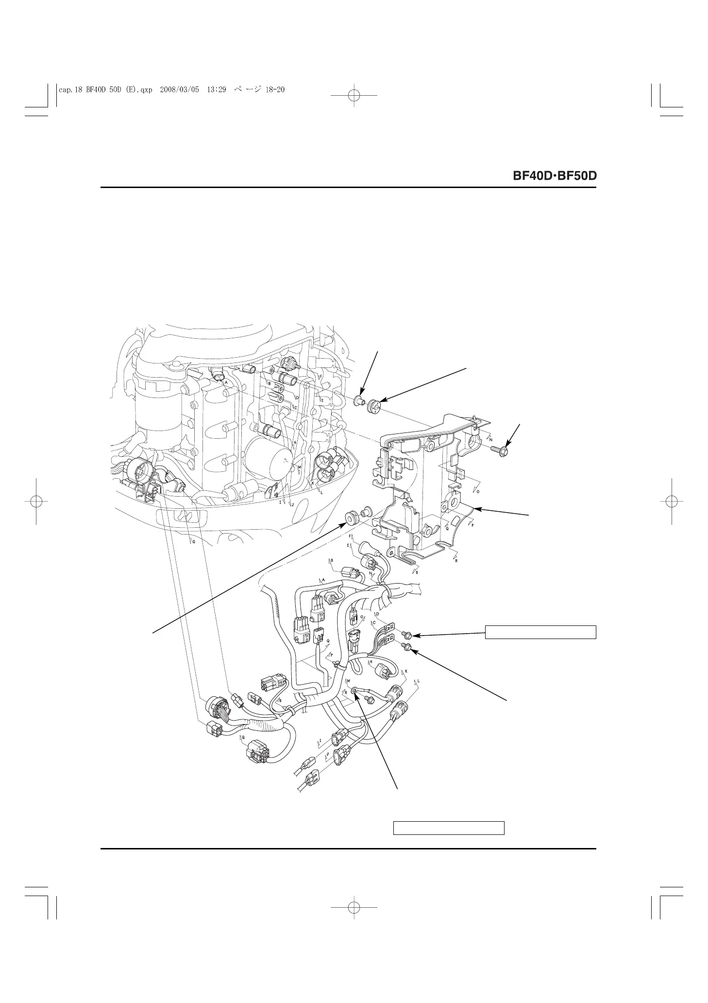
6. ELECTRIC PART CASE
• REMOVAL/INSTALLATION
Remove the following parts.
- Engine cover (P. 4-2)
- Fuse box (P. 18-18)
- Electric part cover/ECM (P. 18-19)
Install and route the connectors and harnesses in the proper positions (P. 2-64).
[4]
ELECTRIC
PART CASE
[1]
ELECTRIC PART
CASE COLLAR (4)
[2]
ELECTRIC PART CASE
GROMMET A (2)
[7]
ELECTRIC
PART CASE
GROMMET B
(2)
[3]
6 x 27 mm
BOLT/WASHER (2)
6 x 12 (3)
INSTALLATION: P. 2-66
[5]
MAIN WIRE HARNESS
GROUND CABLE
INSTALLATION: P. 2-69
[6]
REGULATOR/RECTIFIER
GROUND CABLE
698

Table of Contents

Other manuals for Honda BF40D

Related product manuals