EasyManua.ls Logo

Honda BF40D - Page 38

Honda BF40D
737 pages
Print Icon
To Next Page IconTo Next Page
To Next Page IconTo Next Page
To Previous Page IconTo Previous Page
To Previous Page IconTo Previous Page
Loading...
7-11
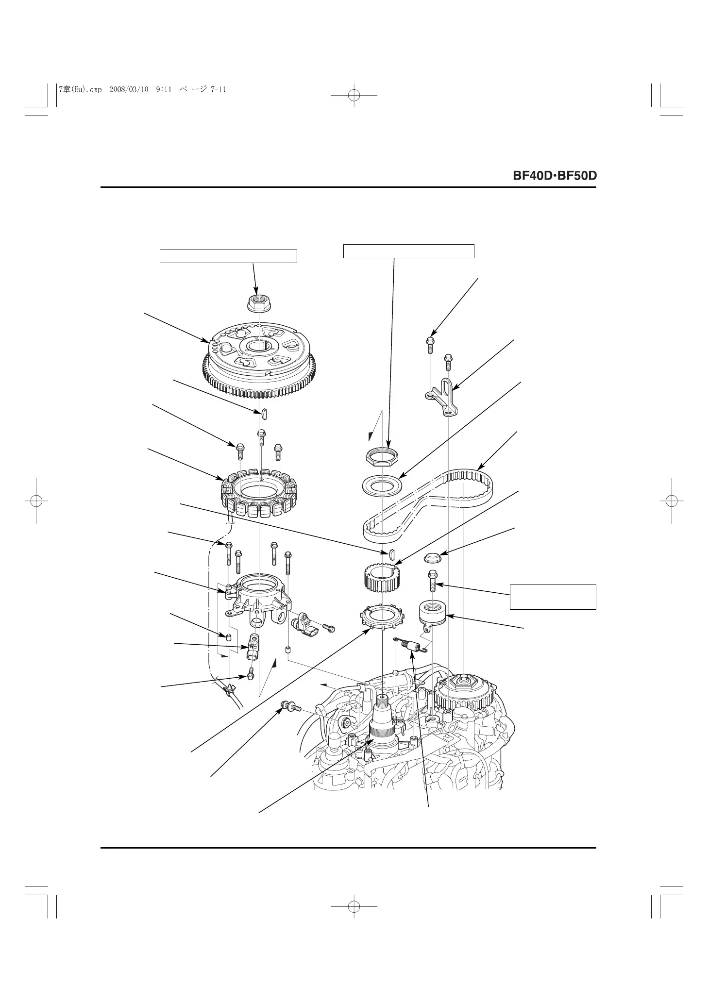
b. COMPONENT DRAWING
1
2
3
4
5
6
7
8
9
10
11
12
13
14
15
16
17
18
19
20
[5]
TIMING BELT
GUIDE PLATE
[7]
TIMING PULLEY
[17]
25 x 14 mm
WOODRUFF KEY
[13]
GUIDE PLATE
[4]
ENGINE HANGER
8 x 18 (2)
[8]
TIMING BELT
TENSIONER CAP
[11]
CRANKSHAFT
[19]
25 x 18 mm SPECIAL
WOODRUFF KEY
[9]
TIMING BELT
TENSIONER
[1]
ALTERNATOR
ROTOR
[15]
8 x 10 mm
DOWEL PIN (2)
6 x 16 (2)
6 x 30 (4)
[18]
ALTERNATOR
STATOR
[16]
ALTERNATOR
BRACKET
[14]
CKP SENSOR 3P
CONNECTOR (2)
6 x 25 (3)
130 N
.
m (13.3 kgf
.
m, 96 lbf
.
ft)
[3]
48 mm LOCK NUT
45 N
.
m (4.6 kgf
.
m,
33 lbf
.
ft)
10 x 38
300 N
.
m (30.6kgf
.
m, 221 lbf
.
ft)
[2]
24 mm SPECIAL NUT
[6]
TIMING BELT
[12]
6 x 25 mm BOLT-WASHER
[10]
TIMING BELT ADJUST SPRING
38

Table of Contents

Other manuals for Honda BF40D

Related product manuals