EasyManua.ls Logo

Honda BF40D - Page 430

Honda BF40D
737 pages
Print Icon
To Next Page IconTo Next Page
To Next Page IconTo Next Page
To Previous Page IconTo Previous Page
To Previous Page IconTo Previous Page
Loading...
14-6
1
2
3
4
5
6
7
8
9
10
11
12
13
14
15
16
17
18
19
20
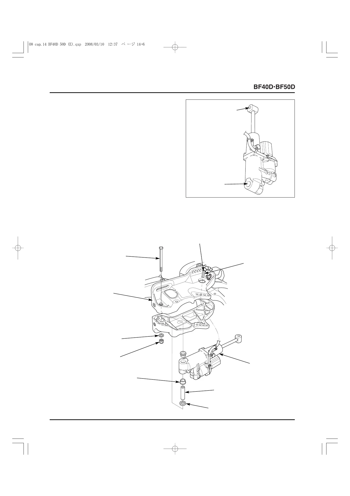
13) Loosen the 10 mm self-locking nut, and remove the 10 mm
washer and the 10 x 158 mm hex bolt.
Pull the power tilt motor wire and the trim angle sensor
wire out of the hole in the L. stern bracket.
14) Move the L. stern bracket toward the engine a little while
lifting the L. stern bracket up.
Remove the 10 mm distance collar, 19.4 x 6 mm spacer and
the power trim/tilt assembly.
Check the lower cylinder bushings mounted on the power
trim/tilt assembly for wear, damage or deformation.
Replace the lower cylinder bushings with new ones if it
necessary.
If the lower cylinder bushing have been removed, replace
them with new ones on reassembly.
Do not push the piston rod in after removing the power
trim/tilt assembly.
If the piston rod has been pushed in, set it in the fully
extended position (P. 14-33).
After removing the power trim/tilt assembly, hold it with
the upper cylinder pin installation part toward up. Do not
lay the power trim/tilt assembly on its side and do not
hold it with the 10 mm distance collar installation part
toward up.
[2]
10 mm DISTANCE
COLLAR
INSTALLATION
PART
[1]
UPPER CYLINDER PIN
INSTALLATION PART
[12]
10 x 158 mm HEX
BOLT
[5]
POWER TRIM/TILT
ASSEMBLY
[7] 19.4 x 6 mm SPACER
[6] 10 mm DISTANCE
COLLAR
[11]
L. STERN
BRACKET
[10] 10 mm WASHER
[9]
10 mm SELF-LOCKING
NUT
[8] LOWER CYLINDER
BUSHING (2)
[3]
TRIM ANGLE
SENSOR WIRE
[4]
POWER TILT
MOTOR WIRE
430

Table of Contents