EasyManua.ls Logo

Honda BF40D - Page 534

Honda BF40D
737 pages
Print Icon
To Next Page IconTo Next Page
To Next Page IconTo Next Page
To Previous Page IconTo Previous Page
To Previous Page IconTo Previous Page
Loading...
14-58
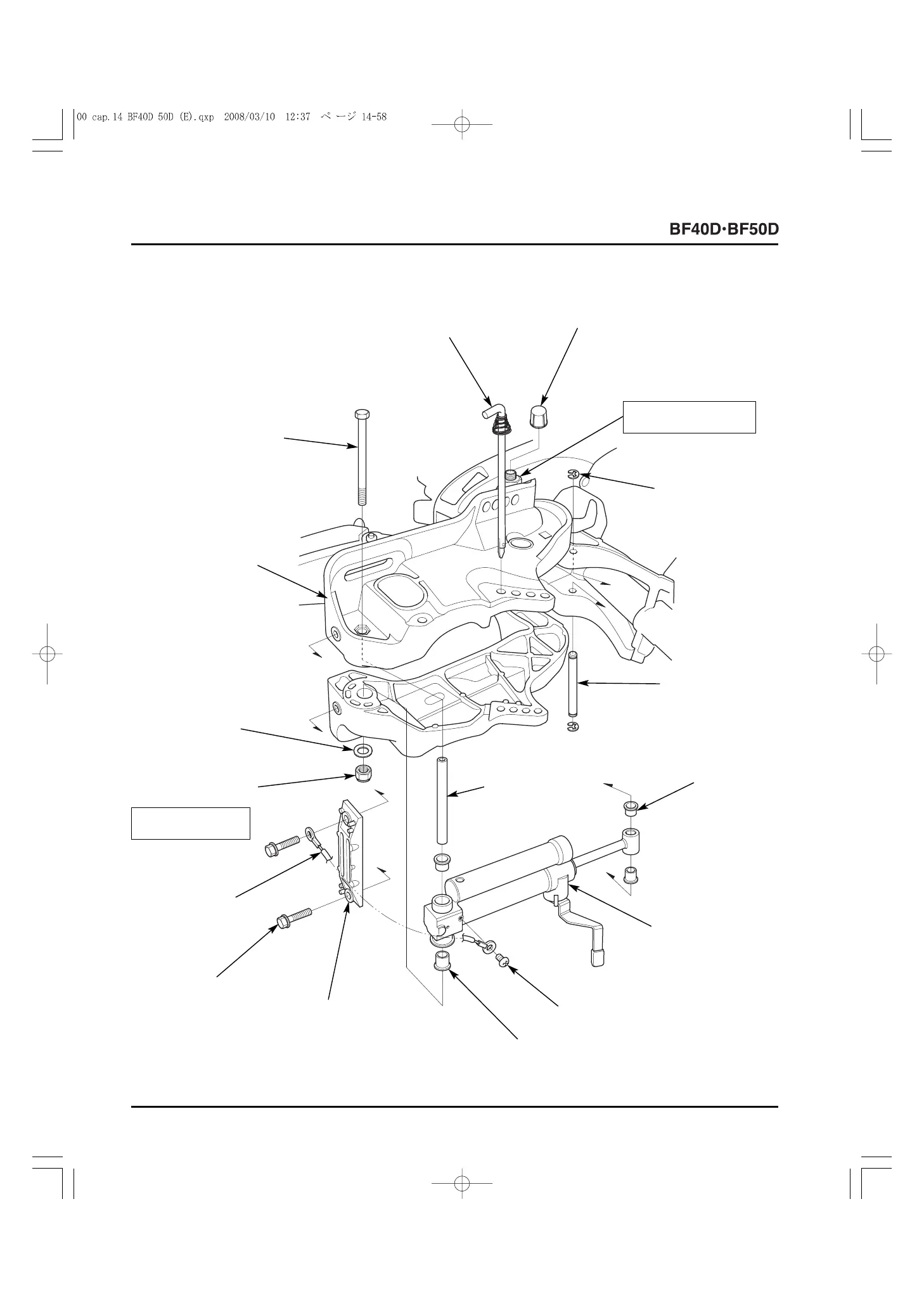
d. COMPONENT DRAWING
1
2
3
4
5
6
7
8
9
10
11
12
13
14
15
16
17
18
19
20
[6] 10 mm E-RING (2)
[7]
UPPER CYLINDER
PIN
[9]
UPPER CYLINDER
BUSHING (2)
[11]
6 x 8 mm SCREW
[13]
ANODE METAL
6 x 23 (2)
[14]
116 mm LEAD WIRE
[1]
L. STERN BRACKET
[10]
GAS ASSISTED
DAMPER ASSEMBLY
[4] TILTING BOLT CAP
[3]
ADJUSTING ROD
[2]
10 x 158 mm HEX
BOLT
[16]
10 mm WASHER
[8]
10 mm DISTANCE
COLLAR
[12]
LOWER CYLINDER
BUSHING (2)
[5]
7/8-14 UNF SELF-LOCKING
NUT
40 N
.
m (4.1 kgf
.
m,
30 lbf
.
ft)
-
180
o
-
210
o
[15]
10 mm SELF-LOCKING
NUT
35 N
.
m (3.6 kgf
.
m,
26 lbf
.
ft)
534

Table of Contents

Other manuals for Honda BF40D

Related product manuals