EasyManua.ls Logo

Honda BF40D - Page 636

Honda BF40D
737 pages
Print Icon
To Next Page IconTo Next Page
To Next Page IconTo Next Page
To Previous Page IconTo Previous Page
To Previous Page IconTo Previous Page
Loading...
16-39
1
2
3
4
5
6
7
8
9
10
11
12
13
14
15
16
17
18
19
20
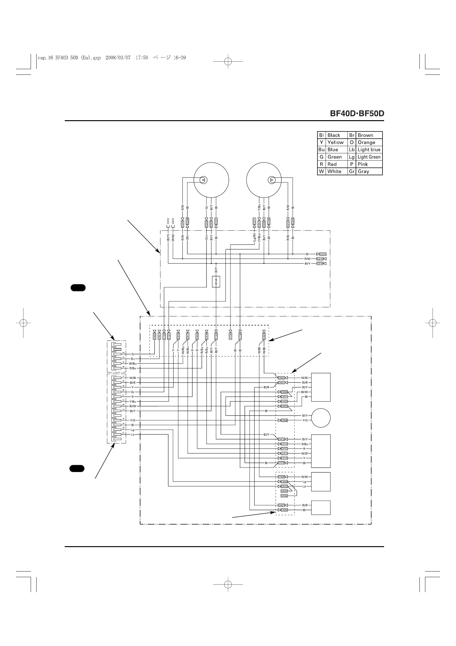
<WIRING DIAGRAM>
[5]
TUBE A
[4]
40 mm CORD
TUBE
[1]
METER HARNESS A
[14]
HANDLE CABLE
[2]
TACHOMETER
[3]
TRIM METER
[11]
TUBE B
[12]
HANDLE CABLE
14P CONNECTOR
1
[13]
HANDLE CABLE
6P CONNECTOR
2
[9]
POWER TILT
SWITCH [POWER
TRIM/TILT TYPE
ONLY]
[6]
COMBINATION
SWITCH
[8]
INDICATOR
LIGHT
[10]
EMERGENCY
STOP SWITCH
[7]
WARNING
BUZZER
636

Table of Contents