EasyManua.ls Logo

Honda BF40D - Page 706

Honda BF40D
737 pages
Print Icon
To Next Page IconTo Next Page
To Next Page IconTo Next Page
To Previous Page IconTo Previous Page
To Previous Page IconTo Previous Page
Loading...
18-24
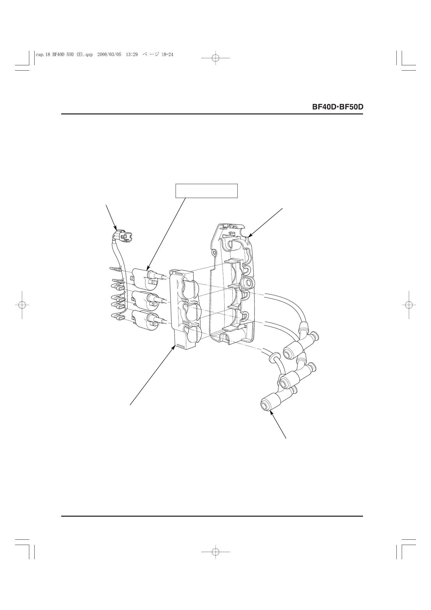
b. DISASSEMBLY/REASSEMBLY
• IGNITION COIL ASSEMBLY
[3]
IGNITION COIL CASE
[5]
IGNITION COIL
SUSPENSION
[1]
IGNITION COIL CABLE
[4]
SPARK PLUG CAP (3)
REASSEMBLY/
INSPECTION: P. 18-25
[2]
IGNITION COIL (3)
706

Table of Contents

Other manuals for Honda BF40D

Related product manuals