EasyManua.ls Logo

Honda BF40D - Page 717

Honda BF40D
737 pages
Print Icon
To Next Page IconTo Next Page
To Next Page IconTo Next Page
To Previous Page IconTo Previous Page
To Previous Page IconTo Previous Page
Loading...
19-2
1
2
3
4
5
6
7
8
9
10
11
12
13
14
15
16
17
18
20
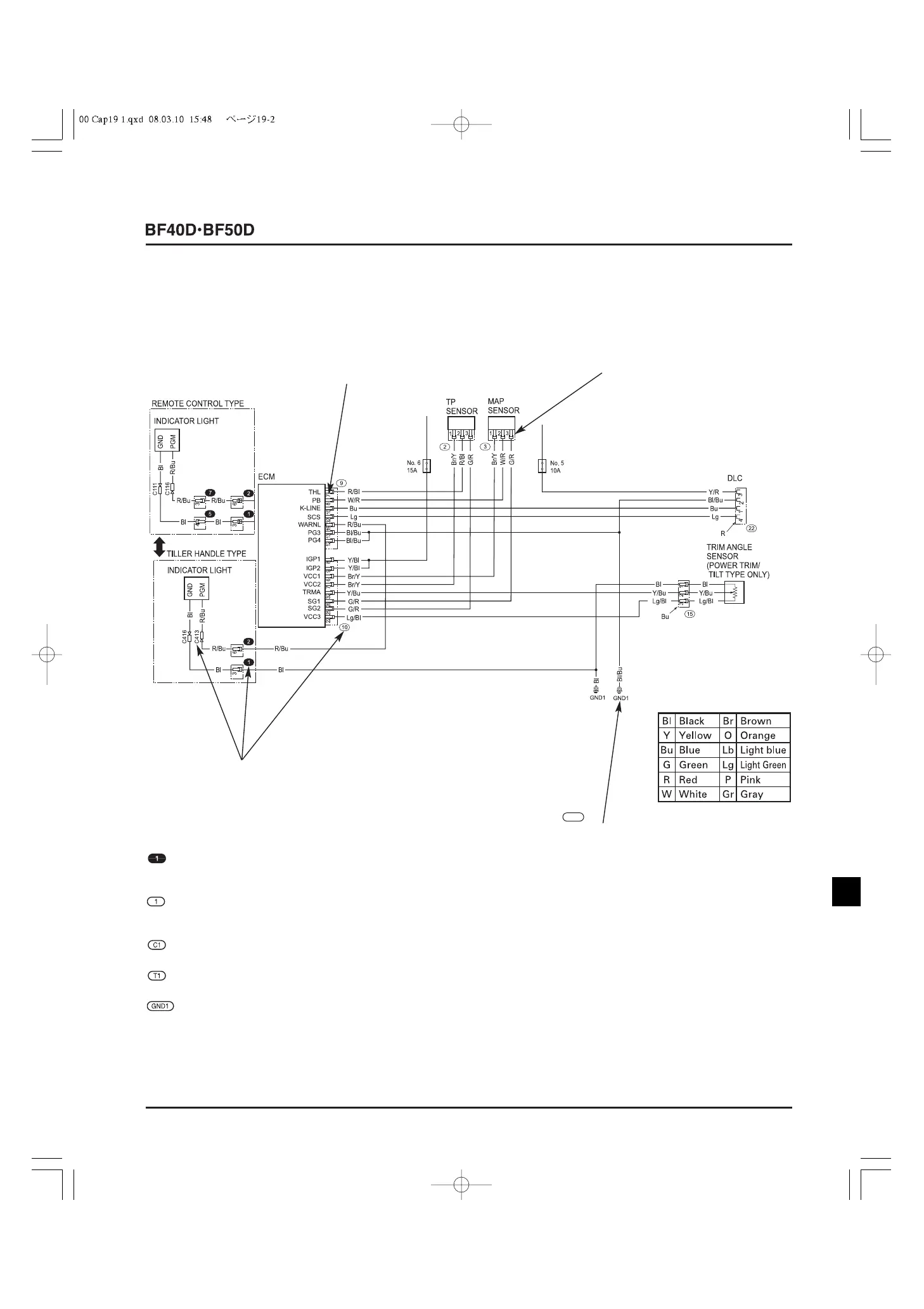
• HOW TO READ WIRING DIAGRAM
TERMINAL No.
SYMBOL OF TERMINAL
It shows the shape of each
terminal to identify whether it is
a male or female terminal.
GND1
Indicates the ground.
(Circled GND followed with
No. in white background)
CONNECTOR/TERMINAL No.
Every connector and terminal has a number to help the users find the
location and shape of the connector and the terminal arrangement by
referring to the "Connector general layout drawing" and/or the
"Connector drawing". All the connector/terminal numbers shown in
this Service Manual are either of those shown in this section.
: Connector that relays from a harness to a harness (Circled No. in
black background)
: Connector that connects to electrical equipment (Circled No. in
white background)
: Connector (Circled C followed with No. in white background)
: Terminal (Circled T followed with No. in white background)
: Ground (Circled GND followed with No. in white background)
717

Table of Contents

Other manuals for Honda BF40D

Related product manuals