EasyManua.ls Logo

Honda BF40D - Page 729

Honda BF40D
737 pages
Print Icon
To Next Page IconTo Next Page
To Next Page IconTo Next Page
To Previous Page IconTo Previous Page
To Previous Page IconTo Previous Page
Loading...
19-5
M
ENG
IG5
30A 30A
10A
OFF
ON
ST
IG5
IG1
IG2
IG3
IG3
IG4
IG4
15A
15A
10A
10A
IG5
IG3
IG4
1
2
3
4
5
6
7
8
9
10
11
12
13
14
15
16
17
18
19
20
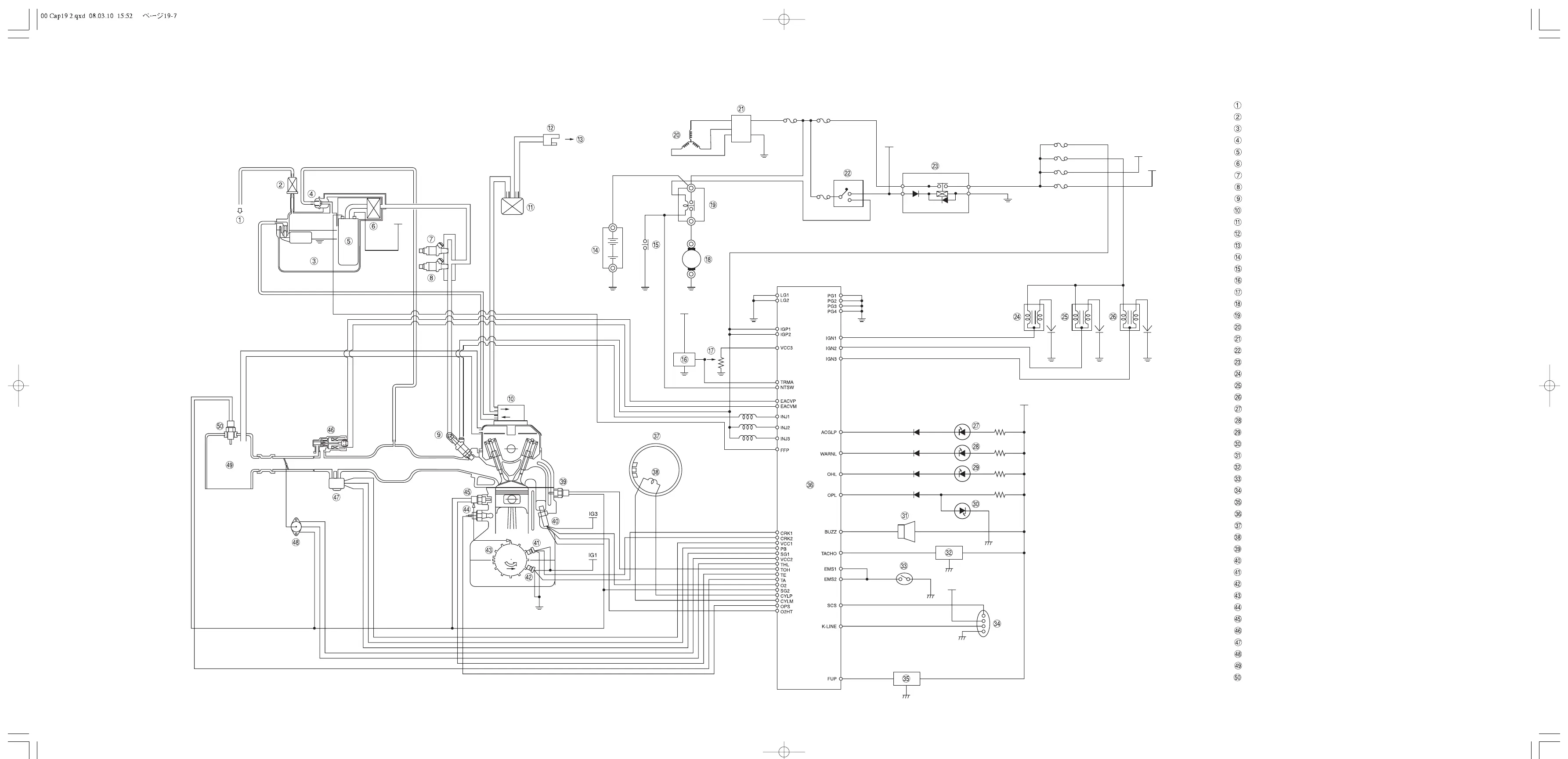
3. SYSTEM DIAGRAM
To MOUNT CASE
AIR VENT STRAINER
VAPOR SEPARATOR
PRESSURE REGULATOR
FUEL PUMP [High pressure side]
FUEL STRAINER [High pressure side]
No.3 INJECTOR
No.2 INJECTOR
No.1 INJECTOR
FUEL PUMP [Low pressure side]
FUEL STRAINER [Low pressure side]
FUEL CONNECTOR
To FUEL TANK
12V BATTERY
NEUTRAL SWITCH
TRIM METER (Optional part)
TRIM ANGLE SENSOR [Power trim/tilt type only]
STARTER MOTOR
STARTER SOLENOID
ALTERNATOR
REGULATOR/RECTIFIER
COMBINATION SWITCH
MAIN RELAY
No.1 IGNITION COIL
No.2 IGNITION COIL
No.3 IGNITION COIL
ALTERNATOR INDICATOR LIGHT
MIL [MALFUNCTION INDICATOR LAMP]
OVERHEAT INDICATOR LIGHT
OIL INDICATOR LIGHT
WARNING BUZZER
TACHOMETER (Equipped type only)
EMERGENCY STOP SWITCH
DLC
FUEL METER (Optional part)
ECM
PULSER ROTOR
PULSER COIL
ECT SENSOR
HO2S
CKP SENSOR 2
CKP SENSOR 1
GUIDE PLATE
EOP SWITCH
EBT SENSOR
IAC VALVE
MAP SENSOR
TP SENSOR
SILENCER
IAT SENSOR
729

Table of Contents