EasyManua.ls Logo

ISHIDA IP-EMZ - Electric Block Diagram

ISHIDA IP-EMZ
176 pages
Print Icon
To Next Page IconTo Next Page
To Next Page IconTo Next Page
To Previous Page IconTo Previous Page
To Previous Page IconTo Previous Page
Loading...
Chapter 6 ELECTRIC ASSEMBLY
6-2 IP-EMZ Service Manual
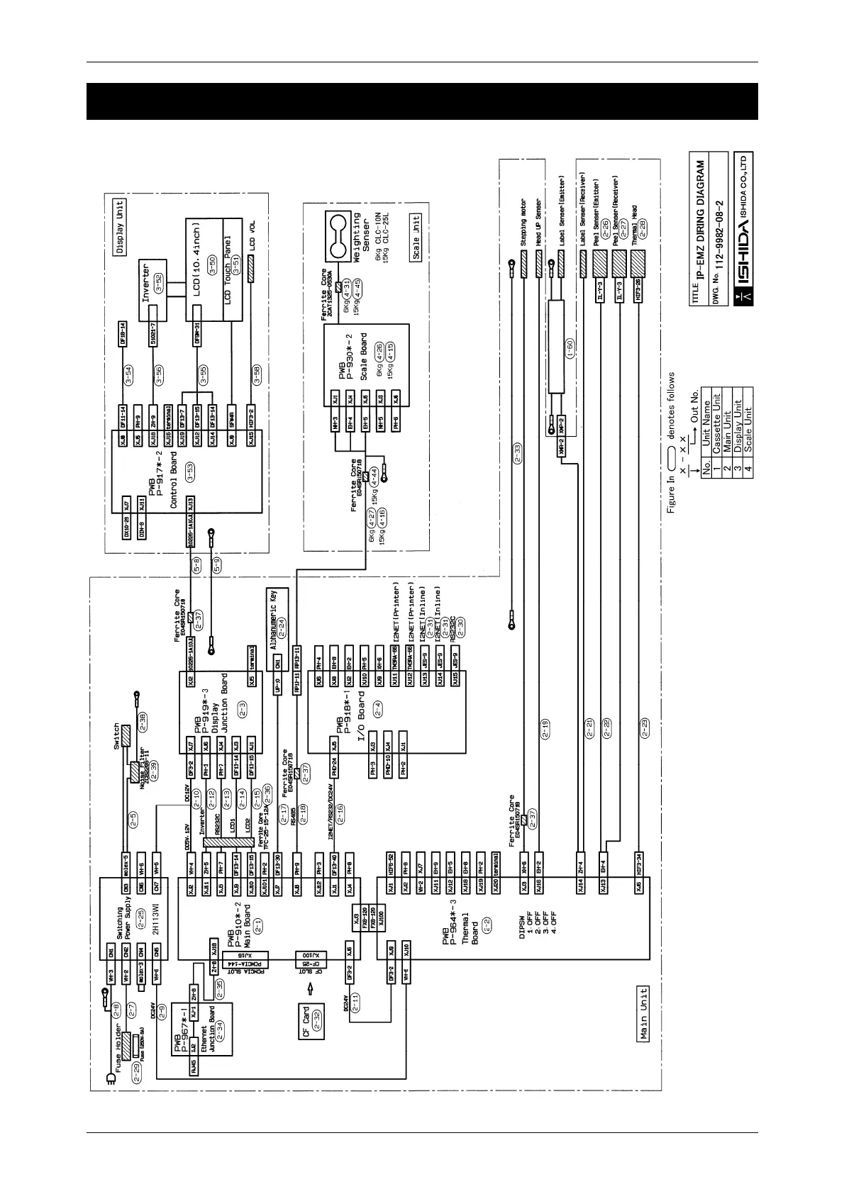
6.1 ELECTRIC BLOCK DIAGRAM

Table of Contents

Other manuals for ISHIDA IP-EMZ

Related product manuals