EasyManua.ls Logo

KAESER M26 - KAESER AIR SERVICE; Service Addresses; Spares for service and repair

KAESER M26
208 pages
Print Icon
To Next Page IconTo Next Page
To Next Page IconTo Next Page
To Previous Page IconTo Previous Page
To Previous Page IconTo Previous Page
Loading...
Material Screwdriver
Torch
Precondition The machine is shut down.
The machine is disconnected from the towing vehicle and safely parked.
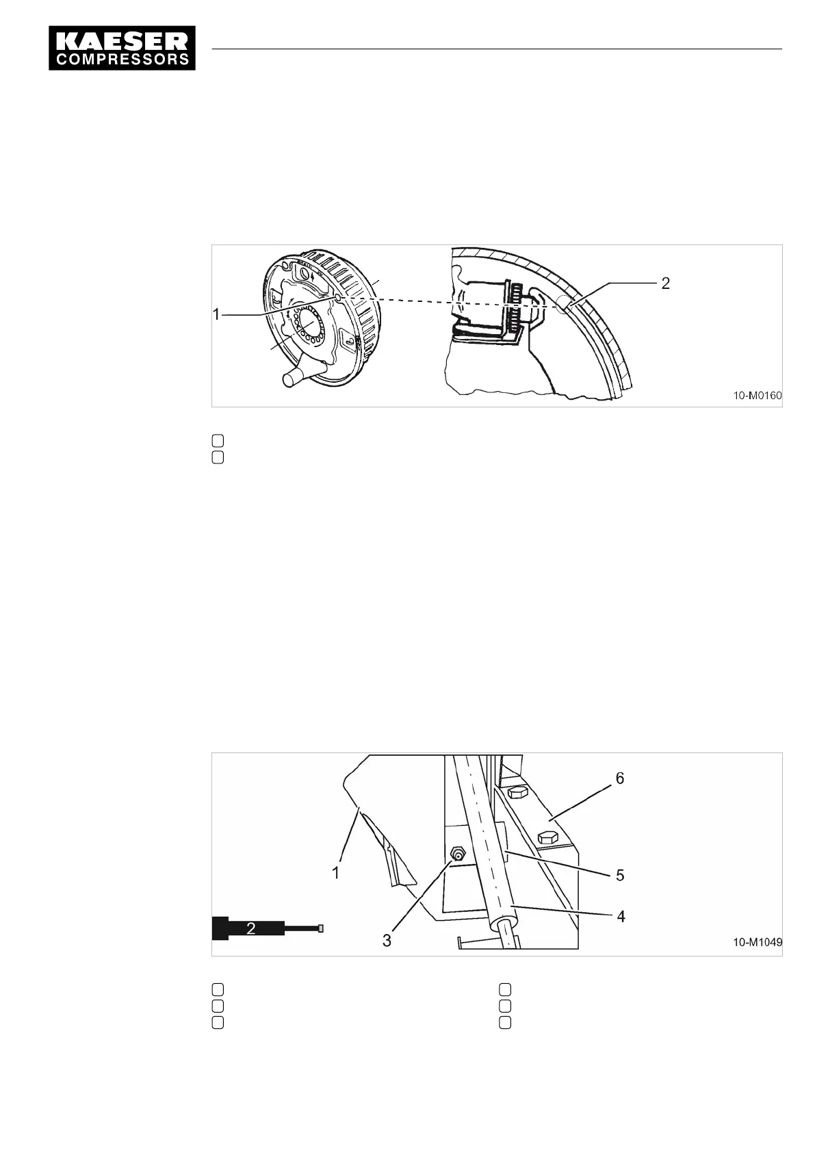
Fig. 38 Checking the brake lining thickness
1 Inspection hole
2 Brake linings
1. Remove the plug from the inspection hole.
2.
With the aid of a torch, check the brake lining thickness.
Have the brake linings replaced by a specialist workshop if they are less than 0.1 in thick.
3. Replace the plug in the inspection hole.
10.5.6 Greasing the canopy hinges
Material Lithium-enriched multi-purpose grease
Grease injector
Precondition Machine shut down
The machine is fully vented, the pressure gauge reads 0 psig.
All compressed air consumers are disconnected and the air outlet valves are open.
Machine is cooled down.
Fig. 39 Lubricating the canopy hinges
1 Canopy
2 Grease injector
3 Grease nipple
4 Strut
5 Canopy hinge
6 Bodywork
10 Maintenance
10.5 Chassis
No.: 9_9446 01 USE
SERVICE MANUAL Screw Compressor
M26
101

Table of Contents

Related product manuals