EasyManua.ls Logo

KAESER M26 - Fig. 23 Bleeding the Fuel System

KAESER M26
208 pages
Print Icon
To Next Page IconTo Next Page
To Next Page IconTo Next Page
To Previous Page IconTo Previous Page
To Previous Page IconTo Previous Page
Loading...
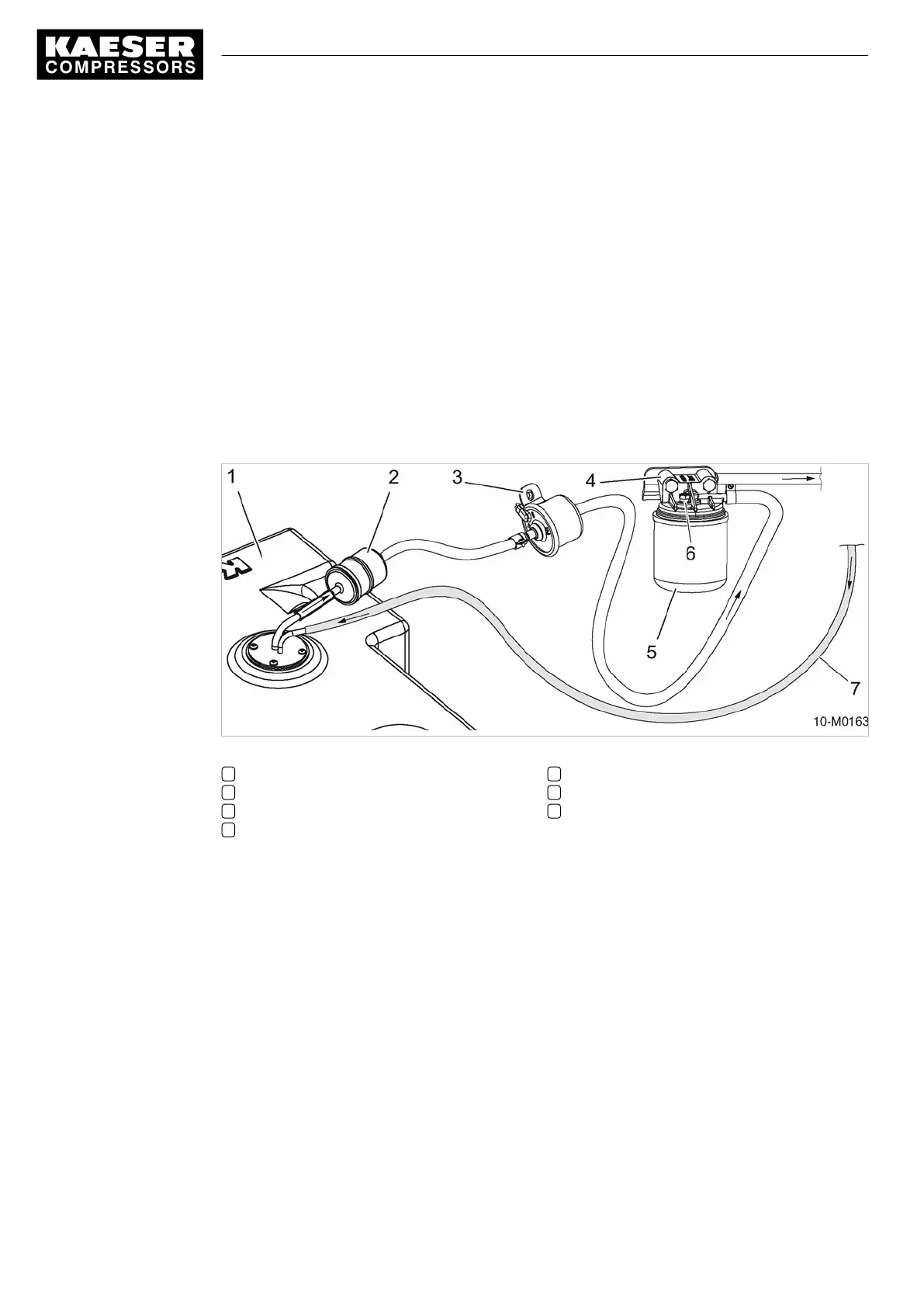
Bleeding the fuel system
The electric fuel pump is used to bleed the system. The negative battery terminal must be connect‐
ed for the pump to operate and bleeding to be carried out.
When the starter switch is turned to the "II" position, the pump starts and bleeds the fuel system.
The engine is not started!
Air can find its way into the fuel system under certain conditions or maintenance tasks:
Fuel tank empty.
Replacing the filter element/cartridge of:
Fuel prefilter
Main fuel filter
Replacing the fuel pump
Work on the fuel lines
Fig. 23 Bleeding the fuel system
1 Fuel tank
2 Fuel prefilter
3 Electric fuel pump
4 Upper part, main fuel filter
5 Filter cartridge, main fuel filter
6 Bleed screw, main fuel filter
7 Fuel return line
1. Reconnect the negative battery terminal.
2.
Turn the starter switch to the "II" position.
The fuel system is bled.
Changing the fuel prefilter element
The filter element should be changed according to the maintenance schedule.
Precondition The negative cable to the battery is disconnected!
1. Place the fuel receptacle under the prefilter.
2. Loosen the hose clamp on the filter cap.
3. Pull off the fuel line.
4. Catch fuel in the receptacle.
5. Remove the prefilter cap.
6. Withdraw the filter element.
10 Maintenance
10.3 Engine
76
SERVICE MANUAL Screw Compressor
M26 No.: 9_9446 01 USE

Table of Contents

Related product manuals