EasyManua.ls Logo

Keysight E4990A - Page 125

Keysight E4990A
669 pages
Print Icon
To Next Page IconTo Next Page
To Next Page IconTo Next Page
To Previous Page IconTo Previous Page
To Previous Page IconTo Previous Page
Loading...
Measurement
115
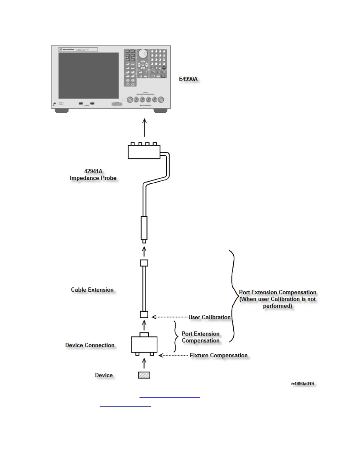
1. Make sure that the adapter selection is set to 42941A Extension.
Perform Adapter Setup if it is not done yet.

Table of Contents

Other manuals for Keysight E4990A

Related product manuals