EasyManua.ls Logo

LSI LASTEM Alpha-Log - Generic Connection Scheme

LSI LASTEM Alpha-Log
116 pages
Print Icon
To Next Page IconTo Next Page
To Next Page IconTo Next Page
To Previous Page IconTo Previous Page
To Previous Page IconTo Previous Page
Loading...
Alpha-Log User manual
LSI LASTEM SRL
INSTUM_03388
Page 115 / 116
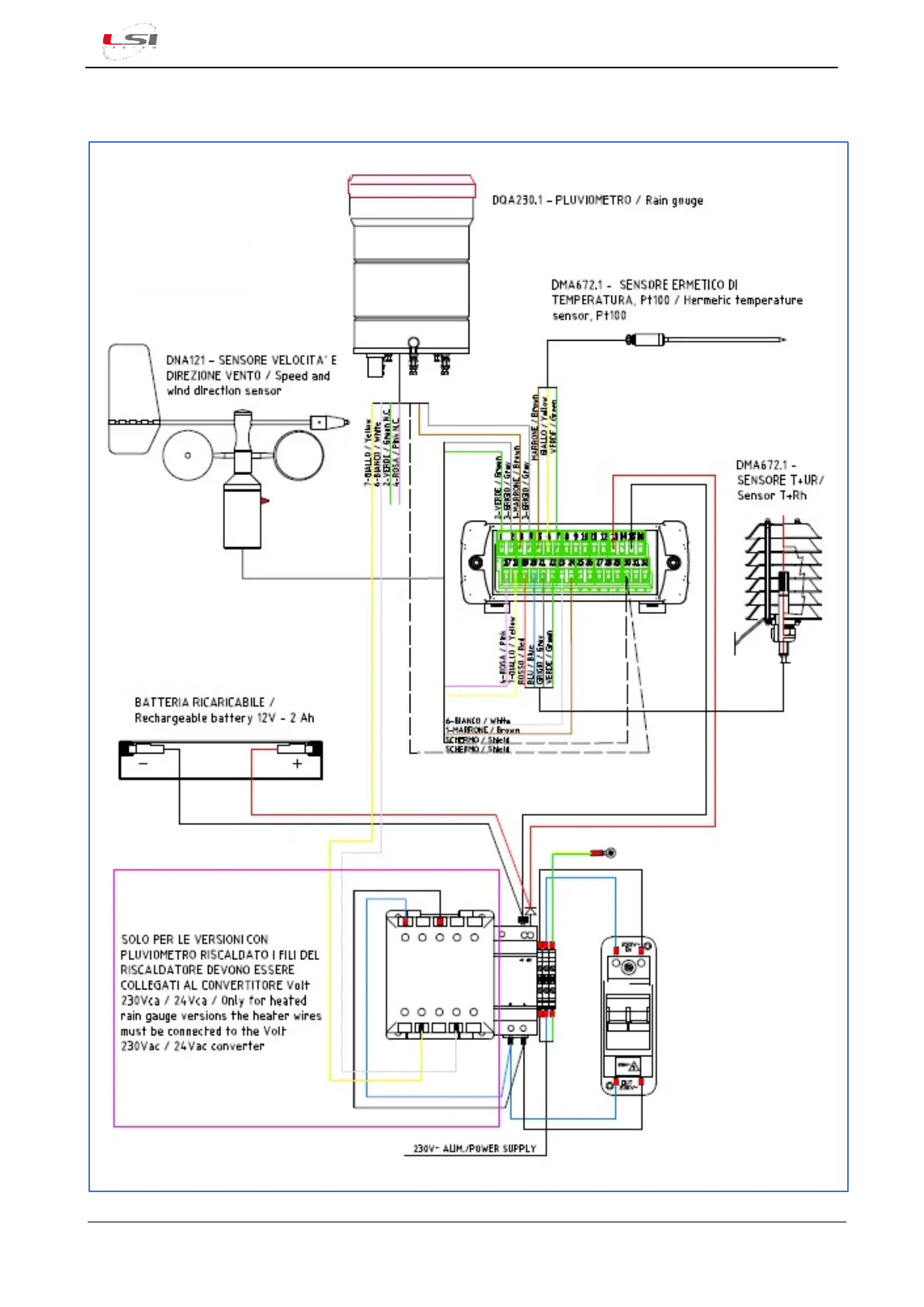
Generic connection scheme

Table of Contents

Related product manuals