EasyManua.ls Logo

Man B&W S50MC-C8-TII - Page 383

Man B&W S50MC-C8-TII
403 pages
Print Icon
To Next Page IconTo Next Page
To Next Page IconTo Next Page
To Previous Page IconTo Previous Page
To Previous Page IconTo Previous Page
Loading...
MAN B&W 19.10
Page 8 of 11
MAN Diesel
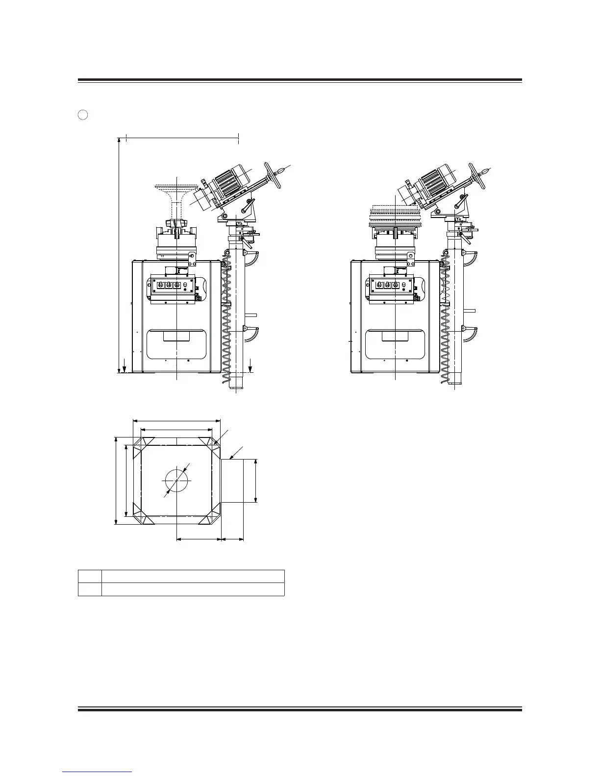
Fig. 19.10.07: Dimensions and masses of tools
1
Pos. Description
1 Valve seat and spindle grinder
513 13 74-6.0.0
MAN B&W S50MC-C7/8 198 64 31-6.0
æ
æ.ECESSARYæHEADROOMæMINææM
!
!
ææ
!!




 


æXææHOLESæINæFLOOR
(OLEæINæFLOOR

Table of Contents

Related product manuals