EasyManua.ls Logo

Mercury Optimax 115 - Page 409

Mercury Optimax 115
522 pages
Print Icon
To Next Page IconTo Next Page
To Next Page IconTo Next Page
To Previous Page IconTo Previous Page
To Previous Page IconTo Previous Page
Loading...
LEFT HAND NON-RATCHETING
Page 6B-8 90-855347R1 JANUARY 1999
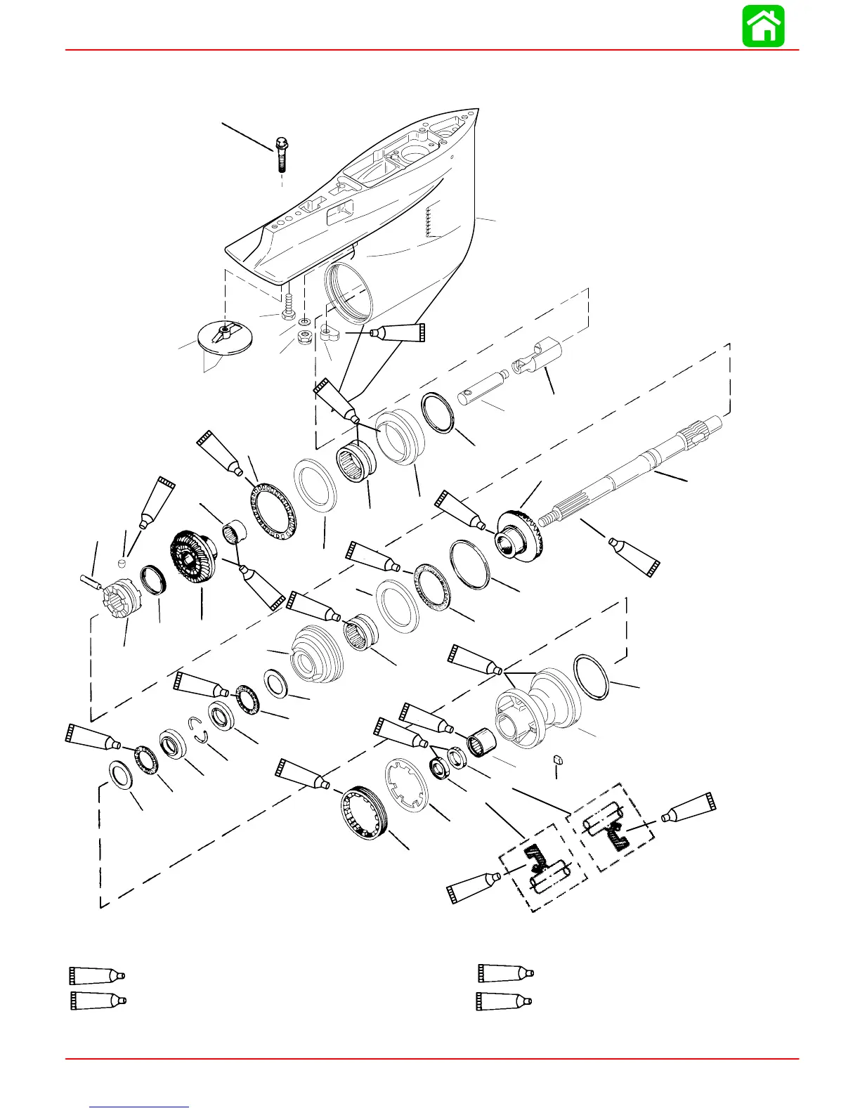
Gear Housing (Prop Shaft)(Counter Rotation)
1
68
69
70
71
72
73
74
75
76
77
78
79
80
81
82
83
84
85
86
87
88
74
73
72
95
87
87
95
87
87
87
87
94
95
87
7
95
95
95
87
87
4.75 IN./120.65 MM
TORPEDO DIA.
7
Loctite 271 (92-809820)
94
Anti-Corrosion Grease (92-78376A6)
95
2-4-C With Teflon (92-825407A12)
87
Quicksilver Gear Lubricant (92-19007A24)
51
52
53
54
55
56
57
58
59
60
61
62
63
64
65
66
67

Table of Contents

Other manuals for Mercury Optimax 115

Related product manuals