EasyManua.ls Logo

Nilfisk-Advance BR 751 - Page 20

Nilfisk-Advance BR 751
Print Icon
To Next Page IconTo Next Page
To Next Page IconTo Next Page
To Previous Page IconTo Previous Page
To Previous Page IconTo Previous Page
Loading...
ITALIANO
MANUALE DI ASSISTENZA
18
909 6424 000(3)2007-12 BR 601 / BR 651 / BR 751 / BR 751 C
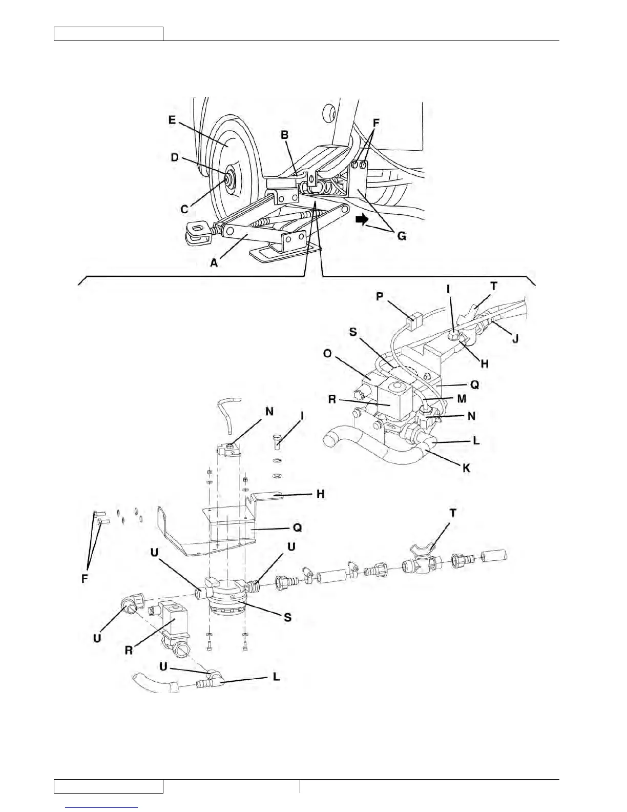
IMPIANTO DI ALIMENTAZIONE SOLUZIONE DETERGENTE
SMONTAGGIO/MONTAGGIO ELETTROVALVOLA/RUBINETTO/GRUPPO FILTRO DELL'IMPIANTO
DELLA SOLUZIONE DETERGENTE/ACQUA DI LAVAGGIO (Continua)
S301321

Table of Contents

Related product manuals