EasyManua.ls Logo

Nilfisk-Advance BR 751 - Page 95

Nilfisk-Advance BR 751
Print Icon
To Next Page IconTo Next Page
To Next Page IconTo Next Page
To Previous Page IconTo Previous Page
To Previous Page IconTo Previous Page
Loading...
MANUALE DI ASSISTENZA
ITALIANO
BR 601 / BR 651 / BR 751 / BR 751 C 909 6424 000(3)2007-12
93
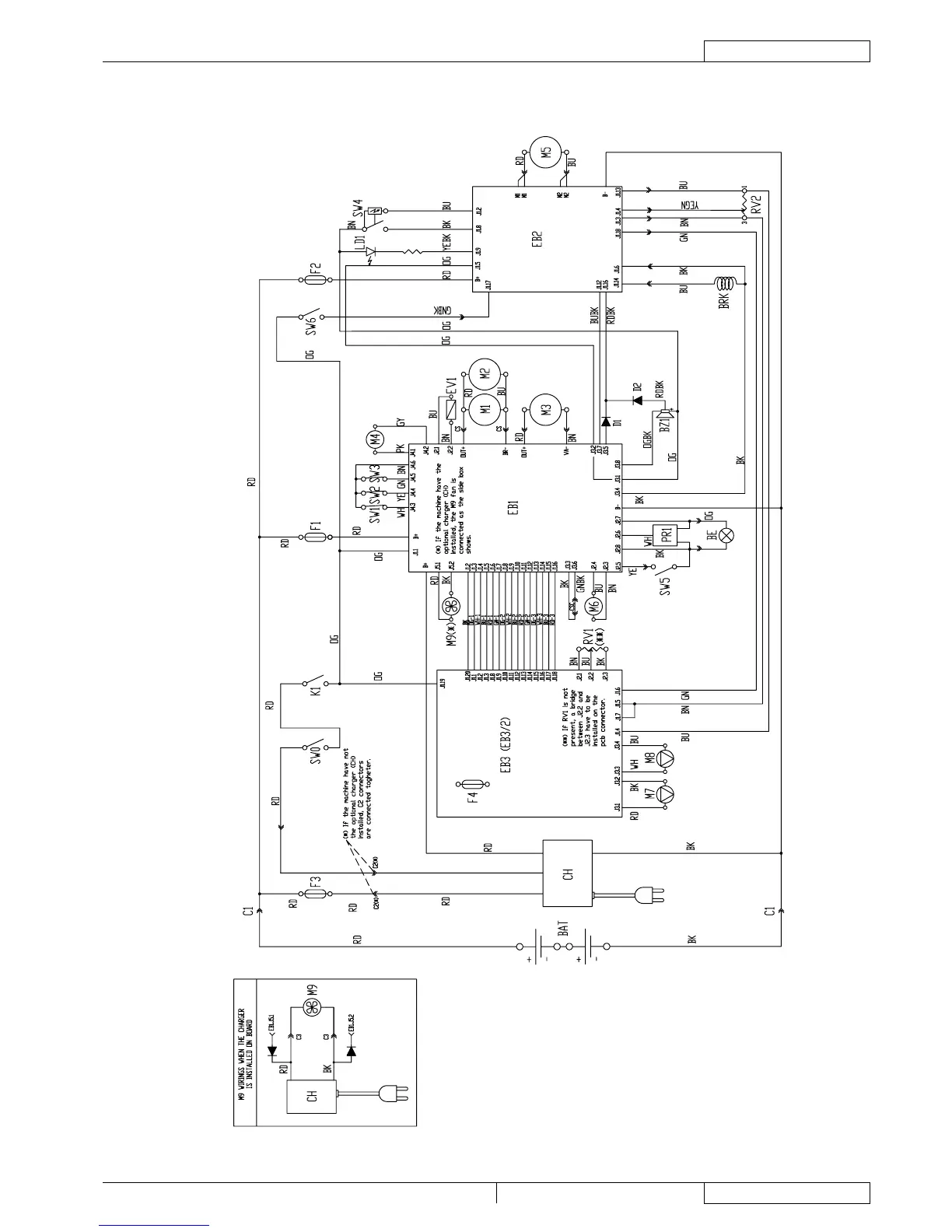
IMPIANTO ELETTRICO
SCHEMA ELETTRICO (Continua)
909 6134 000 rev. B
WIRING DIAGRAM
S301652

Table of Contents

Related product manuals