EasyManua.ls Logo

Omron VARISPEED F7 - Page 70

Omron VARISPEED F7
389 pages
To Next Page IconTo Next Page
To Next Page IconTo Next Page
To Previous Page IconTo Previous Page
To Previous Page IconTo Previous Page
Loading...
2-35
2
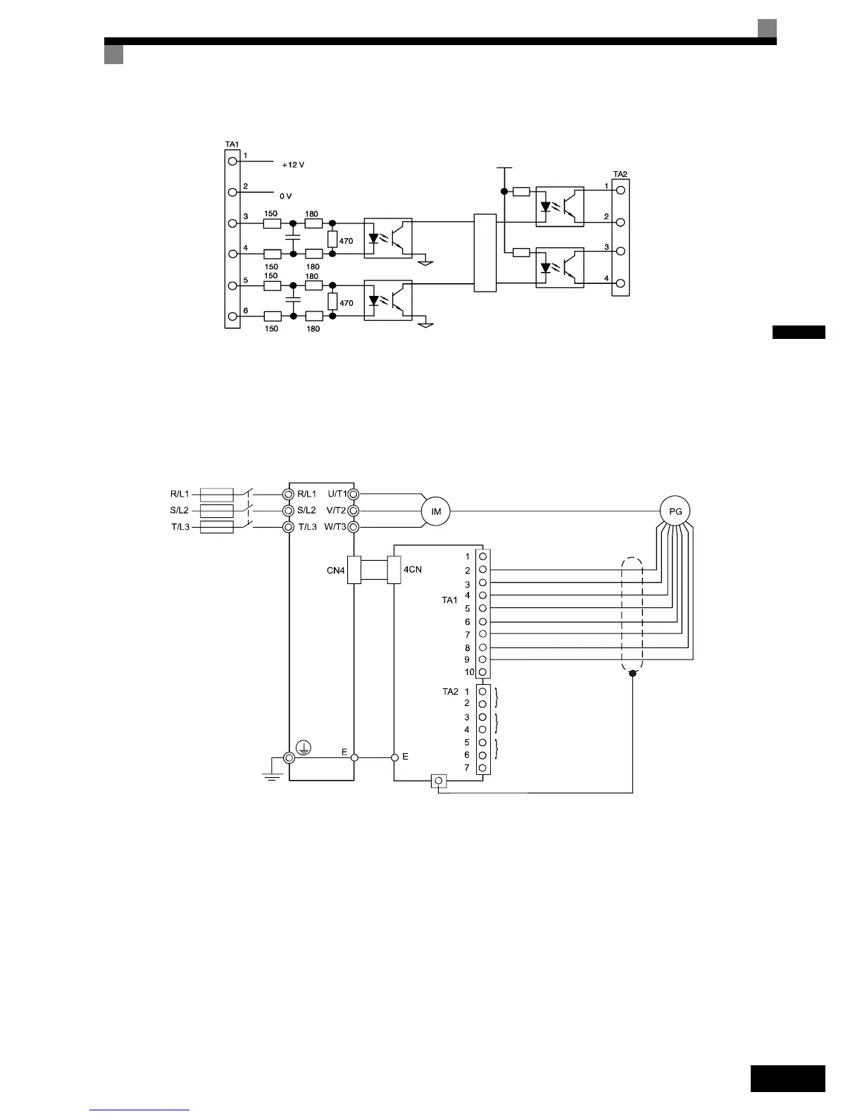
Fig 2.19 I/O Circuit Configuration of the PG-B2
Wiring the PG-X2
The following illustrations show wiring examples for the PG-X2 using the option cards power supply or an
external power source for supplying the PG.
Fig 2.20 PG-X2 Wiring Using the Option Cards Power Supply
PG power
supply
+12 V
Pulse input
phase A
Pulse input
phase B
A-phase
pulses
B-phase
pulses
Division rate
circuit
Pulse monitor
output phase B
Pulse monitor
output phase A
Inverter
+5 V
A-phase pulse input (+)
Pulse input phase A (–)
Pulse input phase B (+)
Pulse input phase B (–)
Pulse monitor output phase A
Pulse monitor output phase B
Pulse monitor output phase Z
0 V
PG-X2
Three-phase 200/400VAC
Pulse input phase Z (+)
Pulse input phase Z (–)
+12 V

Table of Contents

Other manuals for Omron VARISPEED F7

Related product manuals