EasyManua.ls Logo

Omron VARISPEED F7 - Advanced Programming Mode

Omron VARISPEED F7
389 pages
To Next Page IconTo Next Page
To Next Page IconTo Next Page
To Previous Page IconTo Previous Page
To Previous Page IconTo Previous Page
Loading...
3-8
3
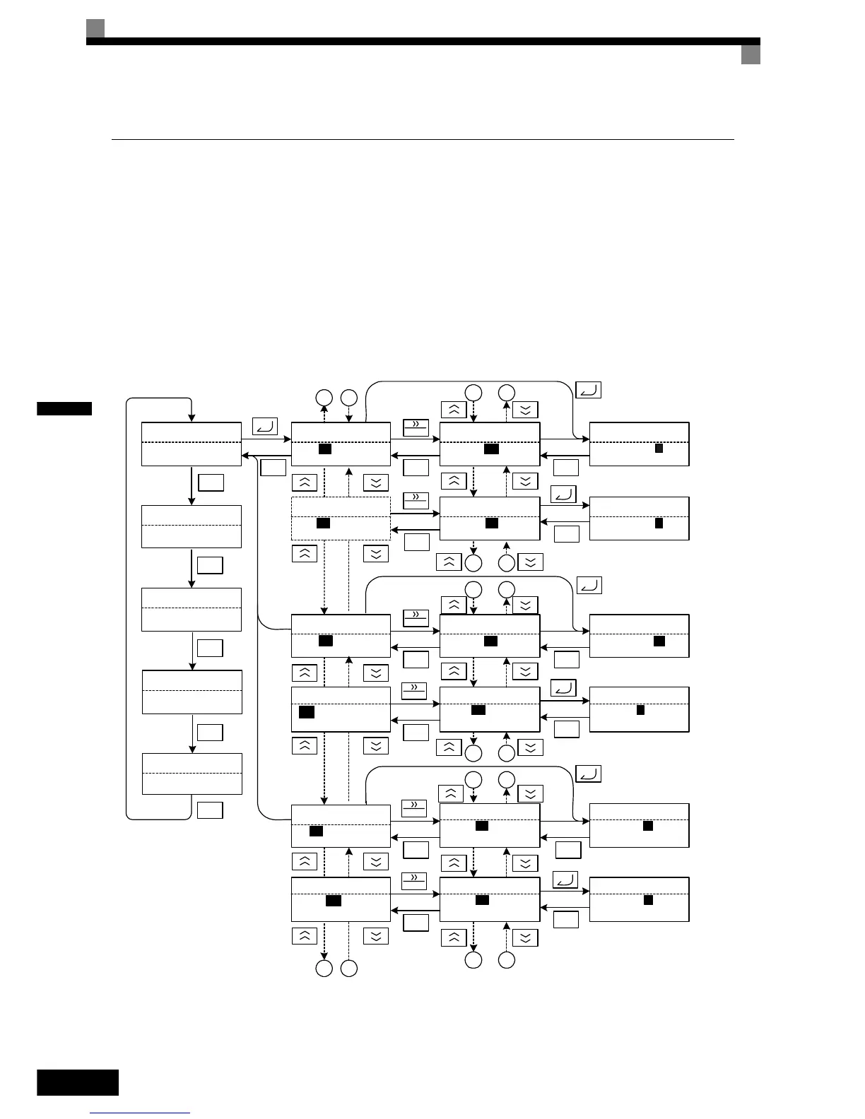
Advanced Programming Mode
In advanced programming mode all Inverter parameters can be monitored and set.
A parameter can be changed from the setting displays using the Increment, Decrement, and Shift/RESET
keys. The parameter will be saved and the display will return to monitor display when the DATA/ENTER key
is pressed after changing the setting.
Refer to Chapter 5 User Parameters for details on the parameters.
Example Operations
Example key operations in advanced programming mode are shown in the following figure.
Fig 3.6 Operations in Advanced Programming Mode
A1- 00= 0
** Main Menu **
-DRIVE-
Operation
** Main Menu **
-QUICK-
Quick Setting
** Main Menu **
-ADV-
Programming
** Main Menu **
-VERIFY-
Modified Consts
** Main Menu **
-A.TUNE-
Auto-Tuning
Initialization
-ADV-
A1-00=1
Select Language
Select Language
-ADV-
A1- 00 =0
English
-ADV-
Select Language
English
*1*
Monitor Display Setting DisplayMode Selection Display
PID Control
-ADV-
b5-01=0
PID Mode
Control Method
-ADV-
A1- 02 =2
Open Loop Vector
PID Mode
-ADV-
b5- 01 =0
Disabled
Control Method
-ADV-
A1- 02= 2
Open Loop Vector
*2*
*1*
*2*
1 2
1 2
PID Mode
-ADV-
b5-01= 0
Disabled
*0* *0*
Fb los Det Time
-ADV-
b5- 14
=
1.0Sec
Fb los Det Time
-ADV-
b5-14= 01.0Sec
3 4
3 4
Torque Limit
-ADV-
L7-01=200%
Fwd Torque Limit
5 6
5 6
Fwd Torque Limit
-ADV-
L7- 01=200%
Fwd Torque Limit
-ADV-
L7-01= 2
00%
Torq Lmt Rev Rgn
-ADV-
L7-04= 2
00%
Fwd Torque Limit
-ADV-
L7- 04
=
200%
A B
A B
Initialization
-ADV-
A1-02 =2
Control Method
PID Control
-ADV-
b5 - 14= 1.0Sec
Fb los Det Time
Fwd Torque Limit
-ADV-
L7- 04= 200%
Torque Limit
ESC
MENU
MENU
MENU
MENU
MENU
ESC
ESC
ESC
ESC
ESCESC
ESC
ESC
ESC ESC
ESC
ESC
RESET
RESET
RESET
RESET
RESET
RESET
(0.0 ~ 25.5)
1.0 sec
(0.0 ~ 1000.0)
50.0%
(0 ~ 300)
200%
(0 ~ 300)
200%
(0 ~ 300)
200%
(0 ~ 300)
200%

Table of Contents

Other manuals for Omron VARISPEED F7

Related product manuals