EasyManua.ls Logo

Optopol SOCT Copernicus + - Electronics and Board Replacement; SOCT Copernicus+ Device Block Scheme

Optopol SOCT Copernicus +
200 pages
Print Icon
To Next Page IconTo Next Page
To Next Page IconTo Next Page
To Previous Page IconTo Previous Page
To Previous Page IconTo Previous Page
Loading...
SOCT Copernicus PLUS - Service Manual
80
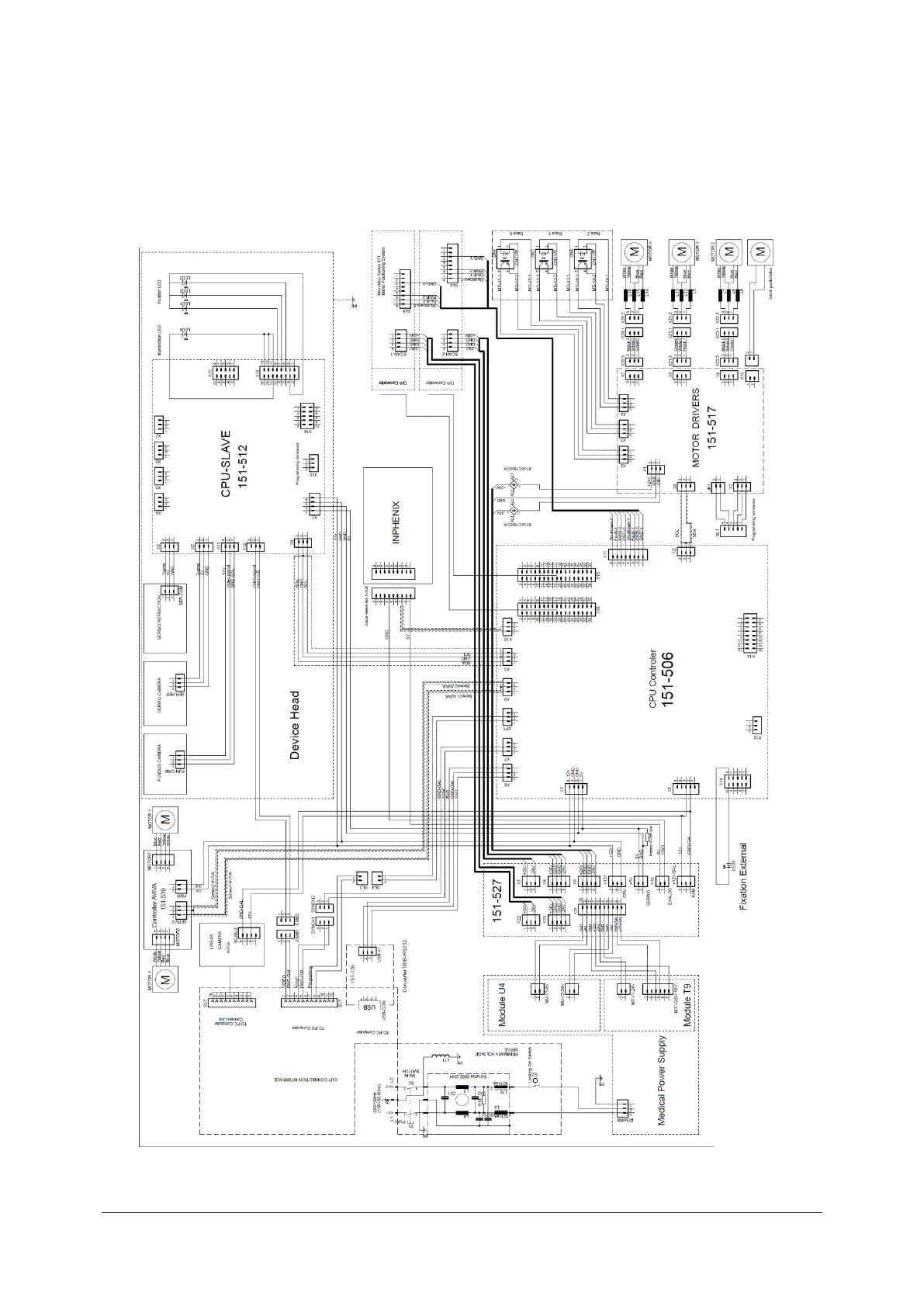
12. Electronics
12.1 Device block scheme

Table of Contents

Related product manuals