EasyManua.ls Logo

Panasonic AG-MD830E - Page 81

Panasonic AG-MD830E
173 pages
Print Icon
To Next Page IconTo Next Page
To Next Page IconTo Next Page
To Previous Page IconTo Previous Page
To Previous Page IconTo Previous Page
Loading...
'~
'~
1)2911
1)2919
£)1
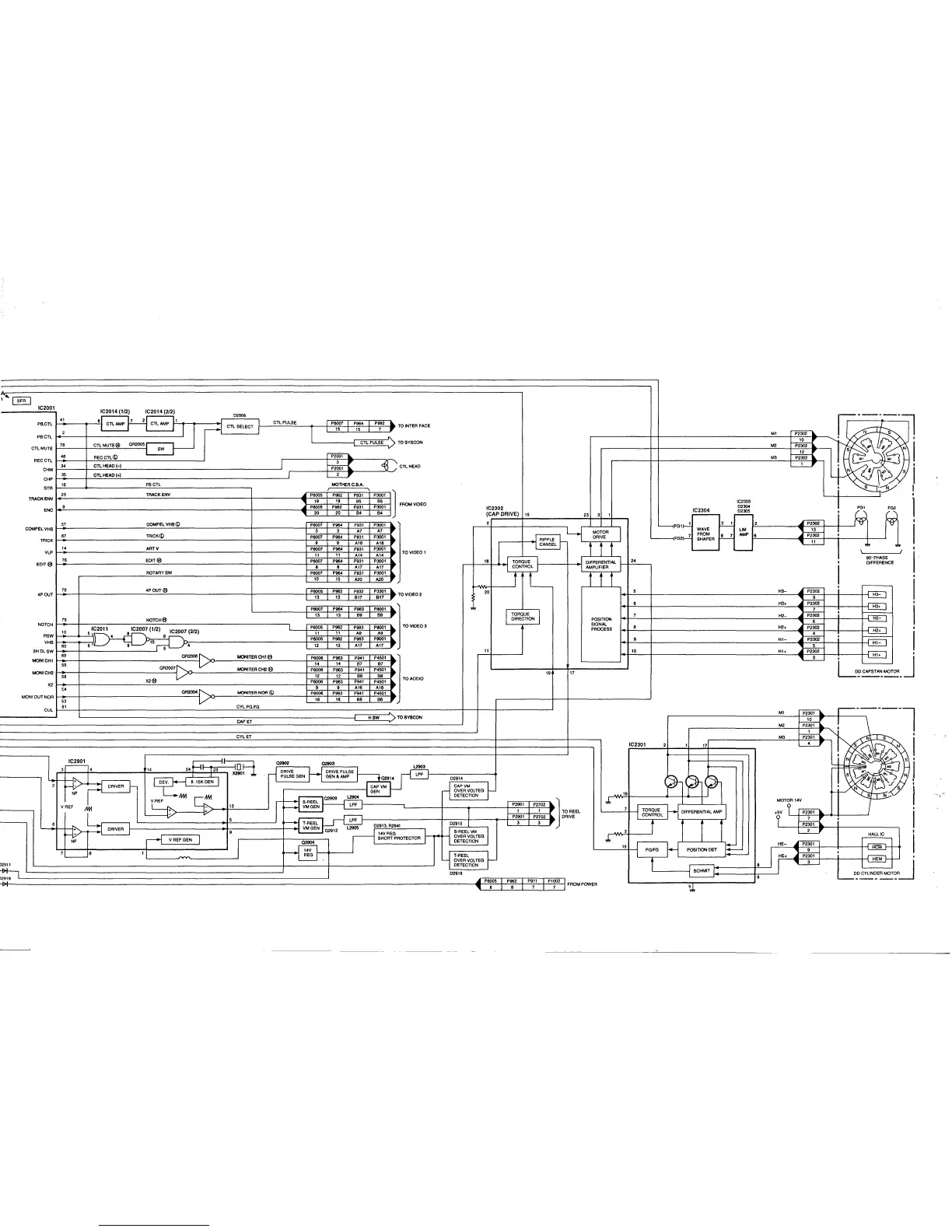
IC2001
IC2014
(212)
02005
IC2014
(1/2)
PB,CTl
~4
..
1
__
--<o-~61
CTLAMP
7
,
2
CTL
AMPlll~o-_----<~-=~~~~1
I..-_--J'
I
rl
CTL
SELECT
I
CTl
PULSE
1
r P6007 P964 I P992
..
TO
INTER
FACE
15
15
7.
PBCTl
~~2
___
~----------------~
"
78
CTl
MUTE
18
QR2005
CTl
PULSE
TO
SYSCON
CTl
MUTE
1--'-=-------+--.:::==="------1,
SW
RECCTl
~4.6
__
----~~R~E~C~C~TL~~~---------------------~
I
CHM
~~~--~~C~TL~H~E~A~D~(~~~------------------------------~
CHP
~3;5--_+~C~TL~HE~A~D~(+2)-------------------------------------------~1
MOTHER
C,B,A,
STR
~1~6---~~----------~P~B~C~Tl~-----------------__,
\
v
TRACKENV
1
..
2~5~
______________
~T~RA~C~K~E~NV~
________________
4_------------_4~P~~~9~5~'-~P~~~2_1~P~:!fl-1~P300~B~5~I~l
9
l-"'P600=5:-lf-:P:::,96::2,.....-"I-:P:=::9;31:--hp,,;:300~I-i
FROM
VIDEO
ENC
~~----------------------------------------------------4--------------4~~2~0~1-~20~4-~~r-4-~~~~
57
COMPEL
VHS
~
P6007 P964
P931
P3001
COMPElVHS
~~----------------------~~~~~~------------------4---------------~~3~4-~3~4-~A~7~~7A~7-=--"
87
TRICK~
P6007 P964
P931
P3001
11..
TRICK
~~----------------------~~~------------------------4---------------~~9~4-~9~4-~A~I~8~~A~1~8-=--.
14
ART
V P6007 P964
P931
P3001
11..
V~
~~---------------------~~--------------------------4---------------~~II~4-~II~4-~A~I~4~~AT.l~4-=--"
TO
VIDEO
1
76
EDIT
18
P6007 P964
P931
P3001
EDITI8
~~----------------------~~~------------------------4---------------~~8~4-~8~4-~A~I~7~~A
T.l~7-=--"
ROTARY
SW
P6007
P964
P931
P3001
11..
10
10
A20
A20
1-
_7~9~~
_______________
~4~P~OU~T~I8~
_____________________
4_-------------4_P~600~5~~P~96~2~~P~93~2~~P~~~'_
..
~TOVIDE02
4P
OUT
13
13
B17
B17,.
NOTCH
1--~75~~~--I-C-20-1-1----------~N~0~T~C~H~I8------------------------------'L
____
~p~~~3~5_+~P~:~:~+_lp~:~9~3_+~P~~;9~1~~r
TO
VIDEO
3
I P6007 I P964 I P963
P8001
~
I
10
IC2007
(112)
IC2007
(212)
11
11
A9 A9
RSW
t--
.......
_+--...:!...5-\
,,'
4 8 6 P6005 P962 P963
P8001
VHS
1--'6-0-----6-/)
9
10
4
12
12
A17 A17
2H
Dl
SW
~_--_+_--------------.....J
5 ,
69 QR2006
MONITER
CHI
18
P6006 P963
P941
P4501
~
MONICHl
I--'_--+----------------------------~
59
TO
AODIO
58
14
B7
14
B7
QR2007
MONITER
CH218
P6006 P963
P941
P4501
~
MONICH2~~--4_--------------------~
12
12
B8
Ba
X218 P6006 P963
P941
P4501
X2
~---4----------------~~-------------------------------------~~9~4-~9~4-~A~I~6~~A~'~6-=--"
54
QR2004
MONITER
NOR
~
P6006 P963
P941
P4501
~
MONI
OUT
NOR
I--'S
..
3---l---------------------------------i
16 16
B6
Ba
CUl
61
CYlPG.FG
~
H
SW
TO
SYSCON
CAP
ET
CYlET
~
3 I 14
14
24H~
,~;
J.
Q2902
J
DRIVE
n PULSEGEN
DRIVE
PULSE
~
GEN
&
AMP
r-=l.Q2914
L2903
lPF
IC2302
(CAP
DRIVE)
15
2
.---_+---+ll
RIPPLE
L
I CANSEl I
16
TORQUE
1
.---+-----':.:...,.--+1'1
CONTROL
11----+-.-1
20
,
11
02914
i
r
TORQUE
I
DIRECTION
19
17
~
~'"
f-
NF
V
REF
M1
~
DRIVER
I
DEV.
8.
15K
GEN
I
I
L.l'-.:,:
M1
rMi
13
~~>----~~I~~/~--~------~
r-+I
VMGEN
J
r
_~r
-_-_-
..
-J--;-~;~~l-Q2909-----L2904---~1
g~~
VM
~
g~~~?~EG
~
]
1
1 1 S-REEl
lPF
1----------,
_________
I-
____
------I-!P~290~1
-+-f:P2~7~02~~
~----------------I------+_I-----
__
_t_..:.P.:::~:=_'
+.!..P2=:~~02"_t,.~.
6~,O~El
L
_____________________
...
5~---------..J
~
T.REEl
lPF
02915'1
3 3
r
:"1
VM
GEN
Q2912 l.2905 02913,
R2941
I
14V
REG
IS-REEL
VM
I
SHORT
PROTECTOR
II-
........
~I
g~~~~?~EG
NF
7L----
8
rt
VREFGEN 1 I
llL-
____
~~n~~~~
________
~
I J
6~i~~OLTEG
L
I
DETECTION
I
02916
23 3 1
MOTOR
DRIVE
FGlr---!
FG2r-2
IC2304
WAVE
~~~ER
..L.l
Ml
M2
M3
10
1 P2302
~-~--S
-ll
1tH
",
~
."'
'i
N
i
S
IC2305
I
02304
JC~
________
__<
....
=~+-+--~FG~
~
j"
2
'P2ii2
llM
13
T
AMP
~6~---------~~~P2~302~+---'~------+_--~
,~
I
S I
,
I
1
I
I
I
DIFFERENTIAL
1~.J..::2:.4---.
AMPLIFIER
1
~~I
,
I
9O'PHASE
DIFFERENCE
I
POSITION
SIGNAL
PROCESS
J;
,
I
,
I
,
I
H1+
L~~~~_J
i
10
H3--
9
8
H3+
Ip2302
r.=>
14~---+-----------~-~~_+__+---+--l~
~
j'
~~7~-~-------------------------------~H2~~~I_~P2~302~~--~------~~~H2-
~
1.+-~8
___
~
__________________________________
~H2~+~~~~P~230274~.J.---f----+~~
f---=-:=-
:
~~~9----~--------------------------------~H~I-~~~~P~2~30~2_+--_+------~~
~
~
...
P2302
H3--
Hh
r-----------------------~M~I--4~~P~~3070~1~1I..~-1!r----------'-------l
M2
P2301
11..
~
P2301
M3
N 5
IC2301
17
18
L-
____
~7+~1
TORQUE
I
CONTROL
DIFFERENTIAL
AMP'I
t
r r
HAlllC
I
15
PGlFG
l
POSITlONDET

Table of Contents

Related product manuals