EasyManua.ls Logo

Panasonic AG-MD830E - Video 2, 3 Block Diagram

Panasonic AG-MD830E
173 pages
Print Icon
To Next Page IconTo Next Page
To Next Page IconTo Next Page
To Previous Page IconTo Previous Page
To Previous Page IconTo Previous Page
Loading...
VIDEO (2,3)
BLOCK
VIDEO
(1)
BLOCK
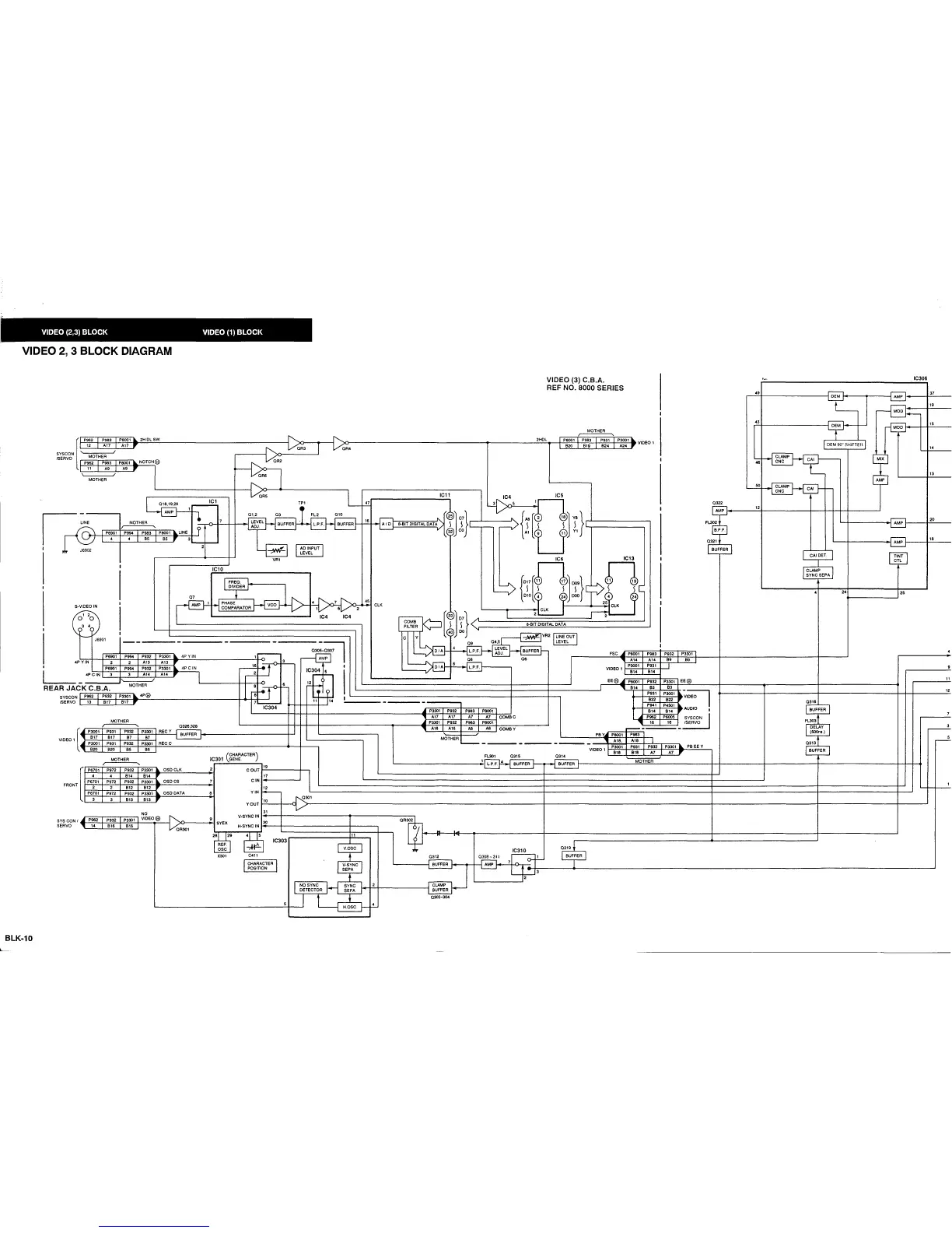
VIDEO 2, 3 BLOCK DIAGRAM
BLK-10
L
VIDEO (3) C B A
REF
NO. 8000 SERIES
MOTHER
P8001
..
2H
DL
sw
A17
,..
OR3 OR4
2HDL
P8001
P983 P931
P3001'"
VIDEO
1
B20
I
B19
I B24 I
-'24-,
SYSCON
[,
P~~TH::73
I
~ERVO
'J
P962 P983
P8001
",NOTcH<iD
~R2
"
A9
A9,..
~\========~/~~-'
'-
___________
~-~
0,R<6r-~~-----
___
~
MOTHER
~
L
~"-{)'
,e,
03
BUFFER
TPl
FL2
L.P.F.
OlD
:r-----..;.....,~
l~j'C7}
3~:
{AS[~+
~j'
Y8}
J6902
S-VIDEO
IN
0
'
20
3
4)
---
J6901
BUFFER
I--+~--.l
A'
D
f-=8--=BI=T""'DI:=G=ITA7':"L-=D-"'AT""A"~
\ \
'----r----.
~>
~
'f \ I
~~::::::::::::::::::::::::::::::::::::::::::::::::::::,~
V
-<~,
~
" u "
VRl
IC10
I
AD
INPUT
LEVEL
I FREO.
Lt------,
07
DIV~DER
~~
~H
PHASE
4 7
45
AMP
COMPARATOR
VCO
1 6 2
....
IC4 IC4
---------------------
CLK
~
{'l'[ri]i}c:>
n
[
j }
T
'''',~
1,
~
~~
t'
1
~I~~:R
3}3
r
<:
8-BI:
DIGITAL
DATA
2
09
04.5
LEVEL
;
O:P
FL302
B.P.F.
0321
I
BUFFER
I
IC306
,~4~9t_---------l
DEM
1-----.--_-1
AMP
'
___
F37~
__
19
43
r.:::::::L
1 5
~f---l-+"'----
DEM
90- SHIFTEfl I
14
'-~
46
1
~
t
'---
MIX
13
12
AMP
'--'1------+1
AMP
1---F
20
:...---
L.--l-------t~
AMP
I-
__
+'-"S:...-
__
I
CAI
DET
I
I
CLAMP
I
SYNC
SEPA
TINT
CTL
4
~ ~
f.----.-.J
P6901
P994 P932 P3301
...
4P Y
IN
4P
YIN
2 2
A13
P3301
..
4P C
IN
A13
,.
16
1
~::I
~I
I
C
~40~"'"
;!JIlr-VR21L1NEOUTI
0'
A 4 L P F
~~~EL
BUFFER
FSC
P8001
P983 P932
P3301
I
~
oa
06
r---------~~~~A~,4~~~~,4~~B~9~~~B9~~----~--------------------------~------~
~~f---~
VIDEO
1
I-P:'::OO:::'~4':.j....:.~.::.~3::';4''--1-....J
P6901
P994 P932
4P
C
IN
~=3=tc:3=~A:':4-j--A:.':.:4-.J
I
L...
________
-_.......J'
I
L-
____
--+-+-_~
REAR
JACK
C.B.A.
MOTHER
9
~
6
SYSCON I
P962T
P932 T P3301--.. 4P
<iD
[8--1
1
7
IC304
'SERVO
13
B17
B17
..
MOTHER
I " Q326,328
[
~~P~300~1~P~9~31E1~Pj9~32~~P~330~1jJR~E~C~Y~~~~~~-----------tJ
~
B17
B17
B7 B7
BUFFER
VIDEO
1 .... P3001
P931
P932
P3301
REC
C
B20 B20
B5 B5
MOTHER
(CHARACTER)
IC301
\.GENE
IC3~
~r-1
"~4
I "
[
P6701
P972 P932
P3301
OSD
CLK
2
COUT~'~9----~--,
4 4
B14 B14
FRONT
I-P:..:6':;~~014-..:.P-;~!.!24..:P.;.:,:::3:4..!P~~;,2~,
...
-0::::S::.:D::...C:::S::.-.----...:.7.1
P6701
P972 P932
P3301
OSD
DATA
8
3 3
~3 ~3
17
CINI-----~
YIN~
Y
OUT
",1..:.0_-+_-0
31
0301
EE
<iD
~
P8001
P932
P3301
EE
<iD
...
B14
B3 B3
P931
P3001
-~
+-+'B;::;22:::-1--'-::B=22".
VIDEO
P941
P4S01
1:....
___
-
__________
....
P3301
P932 P983
P8001
~~A~'7~~A'~7~~A~7~~A~7~
COMBC
P3301
P932 P983
P8001
'--.:.:A:..:16~~Al:6=t=A6=f_-A6:::::.....J
COMB
Y
MOTHER
P~~
P:5
:~::ON
i
PBY
r-P_800_,"'--P-983-~-='6=!:::::;::16=.-
'SERVO
___________________
~:::A~'S;.:,.+=A::'Sc___1I__::_:!::::__r=::_:_"
VIDEO
1
t-';P300
2
.!...1
f-!P~9;;;31!..f...!P::9~32=__t..!P:.:::3~3O~1_l
......
::PB~EE=-Y.:....__,
FL301
B18
B18
A7
1
A7
~
, '
0316
I
BUFFER
FL303
t
I
DELAY
I
(SOOn
•.
)
0313
I
BUFFER
I
'-
___________
...
',
L.P.F.
4
0315
,.::0.::.31,-,4~~
BUFFER
r--~
BUFFER
r-
______________
...!M~O~T~H~E~R
________________
~~------------~------------_+----------------------4-~~_'
NO
SYS
CON'
~r-:P"'96"-2-~
Ip-9-32~r-p-330-'~l
VIDEO
<iD
;"">0-
___
...
9
...
SYEX
V-SYNC
IN
1.--I----------1~-------~
SERVO
"'4
B16
616
OR301
2
&5S
29
REF.
OSC
X301
30
OR302
H-SYNC
IN
~--I---------_1I---~
IC303
I
CHARACTER
I
POSITION
NO
SYNC
DETECTOR
I
11
I v.osc 1
t
I
V-SYNC
I
SEPA
t
H
0312
'------l
BUFFER
0308
- 311
I---<r-l-l
AMP
~~~;
I-~2~------_j~
0302-304
H.OSC
~.!...
IC310
0319
7
~
BUF1ER
I
T·r.1:3------~----------------------------------------------------------~
T2
"
12

Table of Contents

Related product manuals