EasyManua.ls Logo

Panasonic AG-MD830E - Video 1 Block Diagram

Panasonic AG-MD830E
173 pages
Print Icon
To Next Page IconTo Next Page
To Next Page IconTo Next Page
To Previous Page IconTo Previous Page
To Previous Page IconTo Previous Page
Loading...
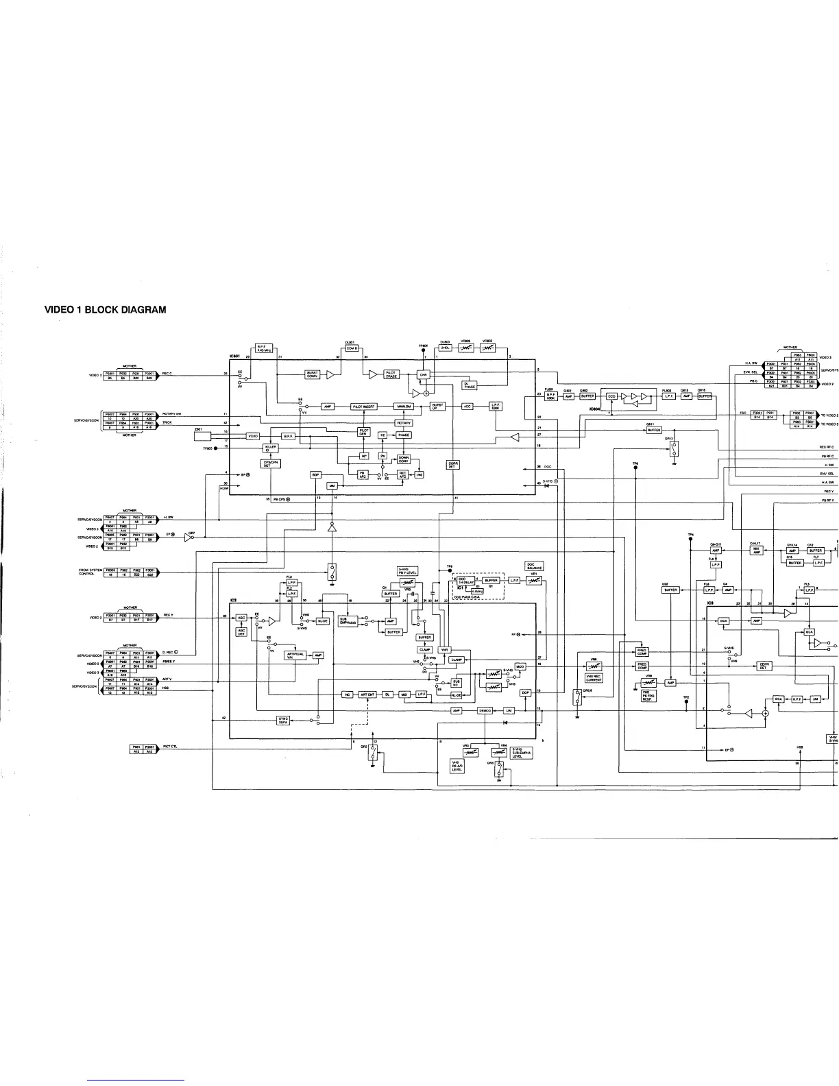
VIDEO 1 BLOCK DIAGRAM
MOTHEA
...JB.PTL
I~
1C801
29
31
0L801
~
32 34
Ol803
VR806 VR803
~
1 3
H.A.SW
EVN.
SEL
P3001
MOTHER
/r--=~::\~"."..,
r-~""'7'::11~,,::P';:::;,.!...jl
Vloeo
J
87 87
18
18
~1
Pge2
P&I05]
}-;P;:;;300;;;;-,
t--,P03:::=,:-+-;
....
=+-;;:
.....
;;,20~
SERVO/sYS
94
94
20
l
______________________________________________________________
~~----~P~B~C~~P~300~I~~P03~ljJ~~Lt1p~~~Iji;
821 821
84 54
VIDEO
2
~
'LOT
'-cR
ERASE
CN
L-+--+
____
--,
~~--------~
~
'23
~
~
~
FL803
0615 0618
EE
+
r-~~~
[
:7
.....
P031
P3001
..
AQTARY SW
11
10
A20
A20F
P3001",
TRICK
42
1
L
__________
-!:>...:V~V
_______
-
___________
P_'L_OT_f.INS-E-R-T_~
________
...
----:INf-
....
____
__I
~~RST
lice
~.
~I
t
L---<}-----J
n
r-~=======7~=====================================J----t_t_..::F~S~C-tJ~~~~.='tJ~~I~:=f~--~~~B9~~P5~~ge'~
~TOVIDE02
~
~
: r
~"
I
1L-.j....!:":""'14"'-1-'P""'~"'.'-11
~a
TO
VIOEO
3
....
P031
Z801
16
g A18
A18 r
MOTHER
VCXQ
35
PBCPS®
13
IOO_R
SERYO~YSCONP~~.~7~
....
~.~~P03~M~I~!P~~~I~
r-!H~.SW~-----------t----1-----------------~================t=====t-----------------------------------
--~~-----====~------------------------------------1__l----------------_l------_l------------------------------~
~D£03~..:::T.~;0~'~~~,~0~~
SERVOISYSCONIl!
.....
~,~7
ttJ
....
~'~7
41P03~ee~Iq:!P300~ee~I!::~r--E~P~8~--~
VlOE02
P3001
B15
B15
FROMsysnM~~~~~P962~4=P962~~lp~300~I~
~
____________
_L----_l_+========================--------------~r.
CONTROl
HI
16 B22 B22 r
FL3
r-§-
I
S-VHS
P8 Y
LEVEL
~r-------------,
I
~cEI
8CCO'
I
~~
r-
I 1H
DELAY
BUFFER I
LP.F
-::;:rn-
,.,..
F~
J
022
FLa
Q4
AfCRFC
PBRF C
H.SW
ENV.
SEL
H.A.SW
RECY
P9RFY
016,17
013,14
012
::,
I--f-
.....
-I
NIP
BUFFER
015
FL7
BUFFER
L.P.F.
FL2
Hf3
I
1C1
.,
Q'
I
I 4.4MHz I
I I
al
r--er-
~~~
~
BUF~t---I-I---I
LP.F.
_1-+--
......
--,
IC2
35 20
30
IOOTHER
~OED2~P~~B7~'~~~~7~~~;'7~I~P~:OO;'7~1~
~~R=EC~Y--------+-----+-+-~~~~~C
~~
AGC
Del
L-H
..
,.
SUI
EMPHASIS
32
LCE~"~2'!!~
- - - - - - J
22
24
25
26 33 34
32
3t
30
28
14
IC3
ill
18
~
BUFFER
FP®~--~H~+_--~+_--------------+__4
~
1-------11-------------,
~ER
;'--
..
-::-.:..
~~4-----------------MO--D--~-----~~~~.~~----~4_--_+~~~--+-+-+-~
~~------+------1~~~:~------~~VH~VH-S-S------~
00
~~
r----+-~~
--;!>I#-
S·VHS
IOOTHER
=-0---
1
r.::P600=7,+1:;;
.....
~~~P93~,
~\
-:P"'300=,"..
D.
REC
<V
W l..-.r;;1
SERVOiSYSCON
S 6
A11
0411
r
:.nACIAl
J Y
~oeo2~~~=~~'~~~.7~~~~18~1~P300~B~,.~I~~p=~=e~y~------------4-4---~--------~---+--------~------~
~DE03~~~~1~8~'+-'~~,~8~~
[
Pe007 P9S4
Pat
P3001'"
ARTV
SERVOISYSCON
r.~""::,:1
=7+
....
""=-'
:-+""'
...
=.,:::.,:-+.,::"'.:.,~.:--I',
r
HSS
12
12
0412 0412
...
LP.F
~
S~B
EE
NL-DE
Ill.
Ne ARrCNT
I
L---------------------1-----+----------~:----------------------------~
.....
.....
--.::
..
~I_-------------__I
~~~;
~------<o--=
I
I
r---.J
I
t t
.5
VHS
DEMOD
1
5
~P03~I~~P300~I~~~~P~~~C~~~----------~~------------------------------------------------~
"5 "5
Y
~~
_~
~
I
~!i
...
H·1
~~
L..-
_____
~
~
s
QR3
PBM>
LEVEL
VHS
REC
CURRENT
.....
1-
____
--1
__
...:'+-
______
...,
L-
__________________________
~11~----<~ep®
+
GC.
H.P.F.
UM
HSS

Table of Contents

Related product manuals