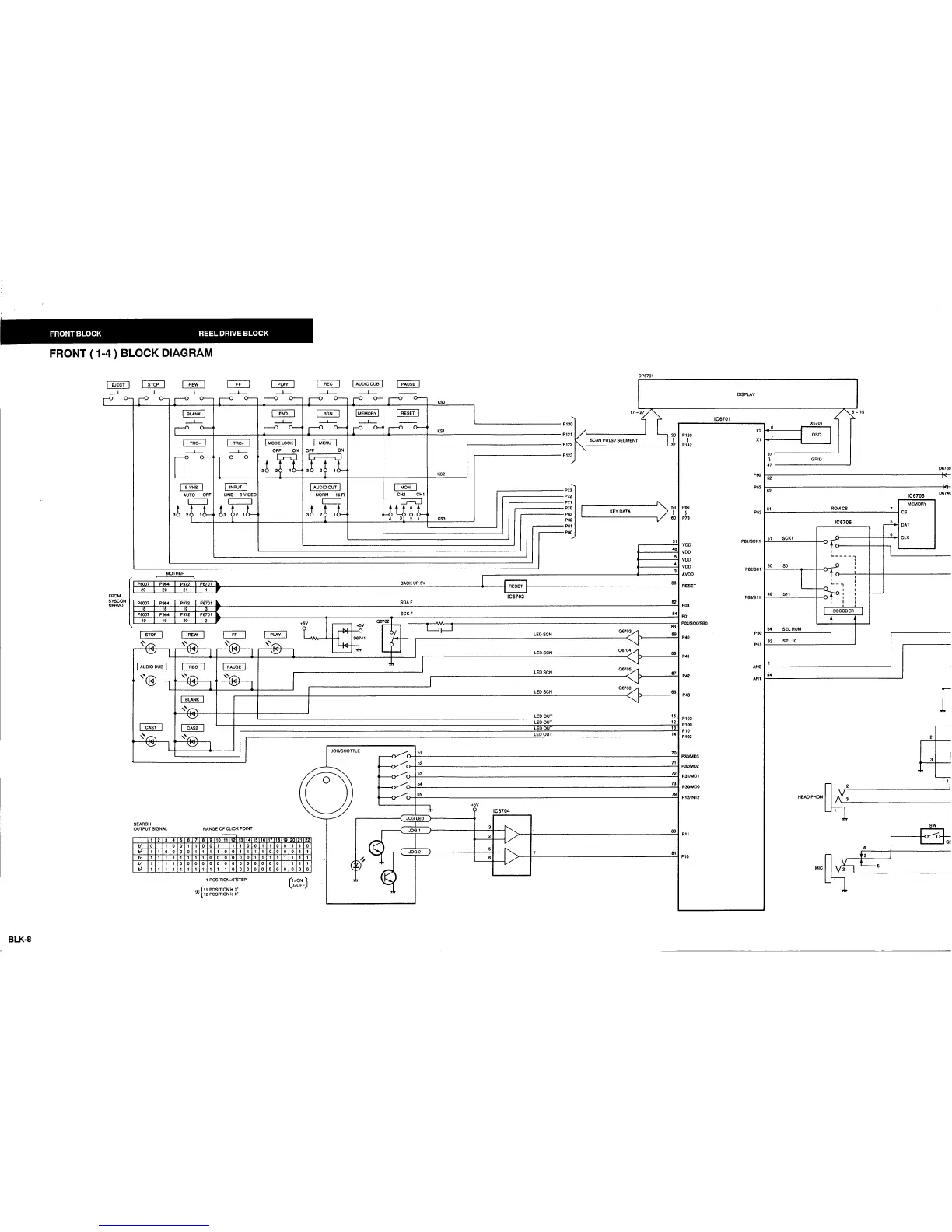
BLK-B
FRONT BLOCK
REEL DRIVE BLOCK
FRONT
(1-4)
BLOCK DIAGRAM
FROM
SYSCON
SERVO
OP6701
I
AUDIO
DUB
I
KSO
I
BLANK
I
~
~
I
MEMORY
I I
RESET
I
,,17_2
Y
\
r-o
--'--
er-
r
-L-
er-
r
-----'--
0--
re
-L-o-
r
-----'--
0--
KSl
'---------
P120 I
L---------4-----------~~--------_+~--------_+~------_+~--------_+--~~------------------------------P121
~
20
~ ~
I
MODE
LOCK
I
~
,...--
_______________________
P122
~
SCAN
PULS
I
SEGMENT
3~
P120
I
P142
r '
0-
r'
0-
,t
~r.lj
')
,~
=
..---------------------
P12~
~
LINE
S-VIDEO
I
AUDIO
OUT
I
NORM
HI-FI
c=J
3b
2f
1-
~
4m
KS3
"
...----------------
P73
r---------------
P72
,--------------
P71
...------------
P70
,...-----------
P63
,...---------
P62
r-----P61
,------P~
""
I
KEY
DATA
~
60Sr
Pf
L-
_________________
~
P73
r-
______
--=-31~
VOD
~
______
--,-48=-l
VDO
+-
______
---'S:..j
VOD
+-
______
--.:44
VDD
I \
1..------------------------------------------~---------'3,
AVDO
~P~~~7~~P~~~+_~P9~7~2~~P~67~0~1~~t_------------------------------------------
______
~B=AC~K~U~P~S~V
______________
~~--~
RESET
~--------------------------------------:.:86,RESET
MOTHER
20
20
21
1"
IC6702
~P~~~7~~P~~~+_P~9~7:.:2_+..:.P~67~0~1~~----------------------------------------------~S~DA~F
______________________________________________________________________
..:.6=42
Pro
16
18
19
3
~P~~~7~~P~~~+_~P9~7:.:2_+..:.P~67~O~1~~--------------------------~----------------~~S~C..:.K..:.F----------------------------------------------------------------------~~
POl
'-1-,-19:"S-TOP...L...-1,-,19'---'---'12:..:0-RE-WL--'12
=--..r"
~ ~
lLV-'VII\r-
........
+~...
+SV
067rf--
U..-----.-y.JV'j<l'r-
~~----------------------L-E-D-SC-N-------------------06--7-03------------:~:
Pp~O<YSBO
i
..
06741 I
j.
~
"18\
"18\
,~,'18\
~
\81
\81
1
\81
\SI
1
'---
*
I
AUDIO
DUB
I
,'18\
\811
I
'--
I
\
LED
SCN
06704
b-
______
_'86=-1
P41
0670S
LED
SCN
b-
______
-=6:!..j7
P42
06706
LEDSCN
b-
______
-=86-=--1
P43
L-
__________________________________________________________________________
~LE~D~OU~T~------------
__________________
~1~5
Pl03
L-
__
-r
________________________________________________________________________________
~L~ED~OU~T~-------------------------------7.:23~
Pl00
r-
______________________________________________________________________________
~LE~D~O~U~T--------------------------------~1~.
Pl0l
LED
OUT
•
Pl02
SEARCH
OUTPUT
SIGNAL
RANGE
O~K
POINT
1 2 3 4 5 6 7 8 9 10
11
12
13 14
lS
16
17
18 19 20
21
22
b'
0 1 1 0 0 1 1 0 0 1 1 1 1 0 0 1 1 0 0 1 1 0
b'1100001111001111000011
b'lllllll100000011111111
b'lll1000000000000001111
b'1111111111100000000000
1 POSITION=6-STEP
, {11
POSITION
Is
3'
*
12
POSITION
I.
6'
(
l=ON
J
O=OFF
-cY no-+-bl
_____________________________________________________________________
7~0
P~03
I
~
~
b2
71
~
(O-~~------------------------------------------------------------------~
P3VMD2
-u- o--t=b3=--
__________________________________________________________________
-=-=-J72
P31IMDl
- M n
~
~
P~OO
~
o--t=bS=--
__________________________________________________________________
~79
Pl~NT2
+SV
IC6704
JOG
LED
~--~1------------------------------------~604
Pll
>-
__
+'-7
____________________________________
-=-814
PlO
IC6701
DISPLAY
X6701
OSC
YI
47
L-
__________________
~
GRID
06739
P~~~S2~------------------------------------------~I~~
PS2
~----------------------------------------------~~
62
IC6705
MEMORY
P53
~6:.:1----------------..:.R;..;OM..:;..:C;..;S------------7~
CS
IC6706
~
DAT
P811SCKl
~SlL...~SC~K~1------+__o_._J:>-------I--I-'8'_l
CLK
t
o----+-__+_.\
L.
____
-,
SO
SOl
-D
P62/S01
t---'-'-'--~-t-o.t-
I
I
I
I
,
L_,
I
48
~1
t
P63/S
11
r::=---=.:..:...------+_-<>
I I
I I I
! I I
I
OECODER
I
t
P50
t-~
____
S_EL_R_O_M
______
-,l
PSl
r63=--
__
S_EL_l..:.0
______________
~
A~~l--------------------------------~
94
ANl
~----------------------------------~
,
0674(J
f
"'~,~
llii---------------------------
SW
6
1
~
B
nJ)
"=-
'"
u.ft-.--L-S
-