EasyManua.ls Logo

Philips BJ3.0E - B12 MISCELLANEOUS

Philips BJ3.0E
176 pages
Print Icon
To Next Page IconTo Next Page
To Next Page IconTo Next Page
To Previous Page IconTo Previous Page
To Previous Page IconTo Previous Page
Loading...
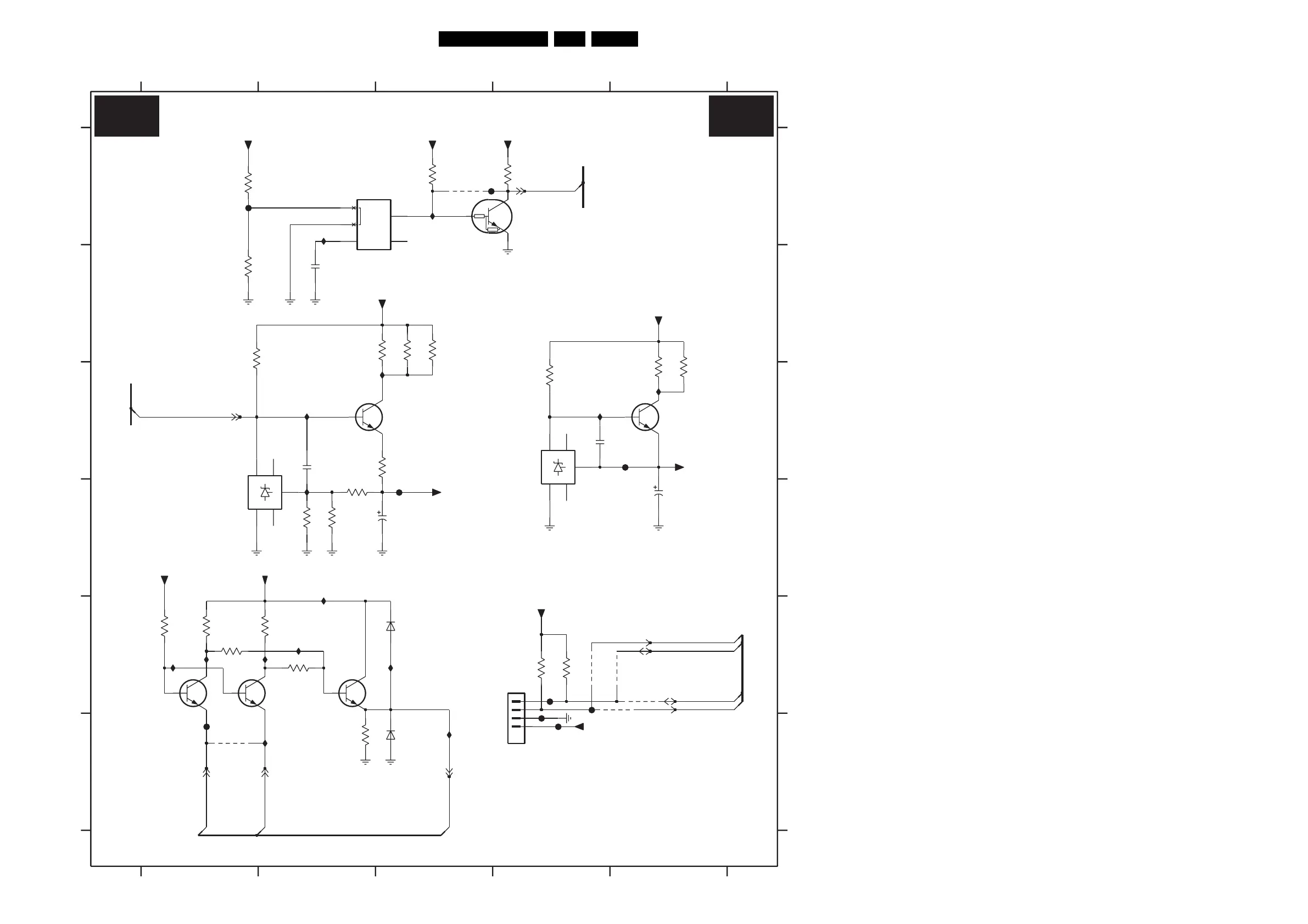
Circuit Diagrams and PWB Layouts
113BJ3.0E PA 7.
SSB: Firewire 1394: Miscellaneous
NCNC
A
REF
K
NC
GND
RST
IN
CD
NCNC
A
REF
K
9M06 A3
USE
FM07 F1
1V2
1V9
0V
4V0
FM10 A3
FM20 E4
FM21 F4
FM22 F4
FM23 F4
FM70 A1
FM71 C5
FM72 D3
IM00 D2
IM01 E2
IM02 E3
IM03 F3
IM04 E1
IM05 E1
IM06 E1
IM08 F2
IM11 A3
IM12 A2
IM13 C5
IM14 C2
IM15 C2
6M11 F3
7M01 A4
IM16 C4
IM17 D2
MISCELLANEOUS
*
7M03 A2
7M04 C3
7M05 D1
7M06 C4
7M07 C5
7M10 E1
7M11 E1
7M12 E2
9M00 F1
9M01 E5
9M02 E5
9M04 E4
9M05 E5
3M73 B1
3M74 B3
1V3
*
3M75 B3
3M76 D2
3M77 D2
3M78 D2
3M79 C4
3M80 C5
3M81 C5
3M82 B3
3M85 E4
3M86 E4
6M10 E3
D
E
2M93 C4
2M94 D5
3M00 E1
3M01 E1
3M02 E2
3M03 E1
3M04 E2
3M05 F2
3M09 A4
3M14 C3
3M70 A1
3M71 B1
3M72 A3
FOR FACTORY
0V3
12345
12345
A
B
C
0V3
F
A
B
C
D
E
F
1TG1 E4
2M90 B2
2M91 C2
2M92 D3
4K7
3M85
10V
IM04
2M94
10u
3M75
150R
7M10
BC847B
7M12
BC847B
9M04
150R
+1V2-STANDBY
BC847B
3M80
1
2
4
7M07
7M05
TS431AILT
5
3
+3V3
3M86
4K7
9M02
FM72
BAS316
10K
3M72
6M10
3M05
1K0
BC847B
7M04
4
IM16
TS431AILT
7M06
53
12
9M05
9M00
3M79
+3V3-STANDBY
1K0
1K0
3M76
150R
3M74
10K
3M09
IM06
5
3
2
4
1
FM07
7M03
NCP303LSN10T1
1
2
3
4
56
1TG1
B4B-PH-SM4-TBT(LF)
3M82
150R
18K
3M04
IM17
1
3
2
10V10u
2M92
PDTC114EU
7M01
IM01
FM10
FM71
1K0
3M78
6M11
+5V
BAS316
1K2
3M71
3M14
4R7
IM13
100n
2M90
+3V3-STANDBY
10K
3M00
+5V2-STBY
+5V2-STBY
2M93
10n
IM11
IM12
IM15
3M01
10K
+3V3-STANDBY
3M03
33K
9M06
7M11
IM08
BC847B
9M01
IM05
IM00
470R
3M73
IM14
FM70
+3V3-STANDBY
10n
2M91
2K2
3M70
10K
3M02
FM23
FM22
FM20
FM21
+3V3-STANDBY
3M77
1K5
IM02
IM03
150R
3M81
+5V2-STBY
STANDBY
RESET-STBY
SDA-DMA-BUS1-DVBT
SCL-DMA-BUS1-DVBT
+3V3-STANDBY-B-TRANS
ON-MODE
POD-MODE
SCL-DMA-BUS1
SDA-DMA-BUS1
B12 B12
3104 313 6073.5
G_15960_054.eps
080206

Table of Contents

Related product manuals